Оригинальные каталоги
| № | Номер | Наименование | Цена | |
|---|---|---|---|---|
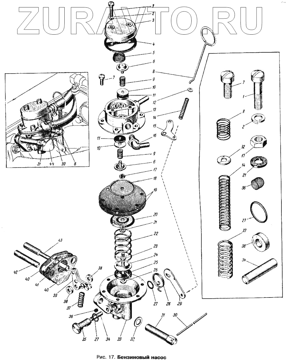
| Б7-1106016 | Б7-1106016 | Головка бензинового насоса с клапанами в сборе | Нет в продаже |
|
| Б7-1106015 | Б7-1106015 | Головка в сборе | Нет в продаже |
|
| Б7-1106140 | Б7-1106140 | Диафрагма в сборе | Нет в продаже |
|
| Б7-1106090 | Б7-1106090 | Корпус в сборе | Нет в продаже |
|
| 1 | Винт крепления крышки к головке | Винт крепления крышки к головке | Нет в продаже |
|
| 2 | Шайба пружинная | Шайба пружинная | Нет в продаже |
|
| 3 | Б7-1106040 | Крышка головки | Нет в продаже |
|
| 4 | Б7-1106041 | Прокладка крышки головки | Нет в продаже |
|
| 5 | Б7-1106045 | Фильтр в сборе | Нет в продаже |
|
| 6 | Б7-1106026 | Обойма клапана | Нет в продаже |
|
| 7 | Винт крепления головки | Винт крепления головки | Нет в продаже |
|
| 8 | Б7-1106338 | Тяга рычага ручного привода | Нет в продаже |
|
| 9 | Б7-1106027 | Пружина клапана | Нет в продаже |
|
| 10 | Б7-1106022 | Клапан | Нет в продаже |
|
| 11 | Б7-1106023 | Пластина | Нет в продаже |
|
| 12 | 3402А-0,5-3-6 | Шайба пружины тяги, упорная | Нет в продаже |
|
| 13 | Б7-1106018 | Головка | Нет в продаже |
|
| 14 | Б7-1106176 | Пружина тяги рычага ручного привода, оттяжная | Нет в продаже |
|
| 15 | Б7-1106392 | Кронштейн (шайба) направляющей тяги рычага ручного привода | Нет в продаже |
|
| 16 | Б7-1106193 | Штуцер угловой (угольник) шланга к карбюратору | Нет в продаже |
|
| 17 | Б7-1106143 | Гайка | Нет в продаже |
|
| 18 | Б7-1106147 | Шайба диафрагмы, верхняя | Нет в продаже |
|
| 19 | Б7-1106142 | Диафрагма | Нет в продаже |
|
| 20 | Б7-1106146 | Шайба диафрагмы, нижняя | Нет в продаже |
|
| 21 | Б7-1106145 | Прокладка под нижней шайбой диафрагмы | Нет в продаже |
|
| 22 | Б7-1106150 | Пружина диафрагмы | Нет в продаже |
|
| 23 | Б7-1106144 | Тяга диафрагмы | Нет в продаже |
|
| 24 | Б7-1106153 | Держатель уплотнителя тяги диафрагмы | Нет в продаже |
|
| 25 | Б7-1106154 | Уплотнитель тяги диафрагмы | Нет в продаже |
|
| 26 | Б7-1106149 | Шайба тяги диафрагмы, упорная | Нет в продаже |
|
| 27 | Н1-14Х10 | Кольцо валика, уплотнительное | Нет в продаже |
|
| 28 | Б7-1106175 | Пружина оттяжная рычага ручного привода | Нет в продаже |
|
| 29 | Б7-1106102 | Рычаг ручного привода | Нет в продаже |
|
| 30 | 258253-П | Шплинт-проволока | Нет в продаже |
|
| 31 | 412-1106175 | Гайка крепления топливного насоса специальная | Нет в продаже |
|
| 32 | 252005-П29 | Шайба | Нет в продаже |
|
| 33 | Б7-1106094 | Корпус топливного насоса | Нет в продаже |
|
| 34 | Б7-1106128 | Ось рычага привода | Нет в продаже |
|
| 35 | Б7-1106098 | Валик ручного привода бензинового насоса | Нет в продаже |
|
| 36 | Б7-1106393 | Сетка воздушного фильтра корпуса | Нет в продаже |
|
| 37 | Б7-1106118 | Пружина рычага привода | Нет в продаже |
|
| 38 | Б7-1107130 | Шайба оси рычага привода бензинового насоса | Нет в продаже |
|
| 39 | Б7-1106110 | Рычаг привода в сборе | Нет в продаже |
|
| 40 | 412-1106170 | Прокладка к блоку цилиндров | Нет в продаже |
|
| 41 | 412-1106165 | Прокладка бензинового насоса теплоизоляционная | Нет в продаже |
|
| 42 | 363063-П29 | Шпилька | Нет в продаже |
|
| 43 | 412-1106184 | Штанга привода топливного насоса | Нет в продаже |
|
| 44 | 412-1106010 | Насос бензиновый в сборе | Нет в продаже |
|
| 44 | Б7-1106010 | Насос бензиновый в сборе | Нет в продаже |
|
1
1
2
2
3
4
5
6
6
7
7
8
8
9
9
9
10
10
11
11
12
13
14
14
15
16
17
17
18
19
20
21
21
22
23
24
25
26
27
27
27
28
29
30
30
31
31
32
32
33
34
34
35
36
36
37
37
38
38
38
39
40
40
41
42
43
44
44
Содержащиеся в справочниках-каталогах запасные части и детали носят исключительно информационный характер