Оригинальные каталоги
| № | Номер | Наименование | Цена | |
|---|---|---|---|---|
| 8Х-1541 | 8Х-1541 | Винт крепления панели и панели теплоотвода к основанию | Нет в продаже |
|
| 4-082 | 4-082 | Шайба 4 пружинная | Нет в продаже |
|
| Н-1214 | Н-1214 | Шайба 4 | Нет в продаже |
|
| П4БЭ | П4БЭ | Триод П4БЭ (ТУ СИЗ.365.005) | Нет в продаже |
|
| РР362-3702520 | РР362-3702520 | Сопротивление комбинированное | Нет в продаже |
|
| РР362-А | РР362-А | Реле-регулятор в сборе | Нет в продаже |
|
| 412-3702010 | 412-3702010 | Реле-регулятор | Нет в продаже |
|
| МЛТ-2 | МЛТ-2 | Резистор МЛТ-2, 120 + 10%, (ГОСТ 7113-63) | Нет в продаже |
|
| МЛТ-1 | МЛТ-1 | Резистор МЛТ-1, 120 + 10%, (ГОСТ 7113-63) | Нет в продаже |
|
| МЛТ-1 | МЛТ-1 | Резистор МЛТ-1, 120 + 10%, (ГОСТ 7113-63) | Нет в продаже |
|
| Д7Б | Д7Б | Диод Д7Б (ТР 3215.108 ТУ) | Нет в продаже |
|
| 5-082 | 5-082 | Шайба 5 пружинная | Нет в продаже |
|
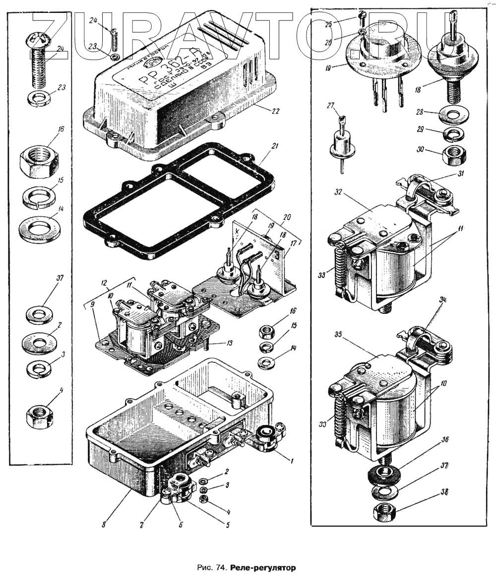
| 1 | РР24-3702006 | Втулка амортизационная | Нет в продаже |
|
| 2 | Н-1214 | Шайба 4 | Нет в продаже |
|
| 3 | 4-082 | Шайба 4 пружинная | Нет в продаже |
|
| 4 | Х-4019 | Гайка М4 | Нет в продаже |
|
| 5 | РР362-3702113 | Кронштейн | Нет в продаже |
|
| 6 | 5-082 | Шайба 5 пружинная | Нет в продаже |
|
| 7 | 7Х-1598 | Винт М5х8 | Нет в продаже |
|
| 8 | РР362-3702100 | Основание с выводами и клеммами в сборе | Нет в продаже |
|
| 9 | РР362-3702510 | Панель с сопротивлениями в сборе | Нет в продаже |
|
| 10 | РР362-3702400 | Регулятор напряжения в сборе | Нет в продаже |
|
| 11 | РР362-3702610 | Сердечник с обмотками реле защиты и ярмом в сборе | Нет в продаже |
|
| 12 | РР362-3702500 | Панель в сборе | Нет в продаже |
|
| 13 | РР362-3702501 | Болт клеммовый | Нет в продаже |
|
| 14 | 252004-П29 | Шайба | Нет в продаже |
|
| 15 | 252134-П29 | Шайба пружинная | Нет в продаже |
|
| 16 | 250508-П29 | Гайка | Нет в продаже |
|
| 17 | РР362-3702810-А | Теплоотвод с панелью в сборе | Нет в продаже |
|
| 18 | Д242 | Диод Д242 | Нет в продаже |
|
| 19 | РР362-3702805-А | Триод П4БЭ с выводами в сборе | Нет в продаже |
|
| 20 | РР362-3702800 | Панель теплоотвода в сборе | Нет в продаже |
|
| 21 | РР362-3702008 | Прокладка уплотнительная | Нет в продаже |
|
| 22 | РР362-3702003-А | Крышка основания корпуса | Нет в продаже |
|
| 23 | 4-082 | Шайба 4 пружинная | Нет в продаже |
|
| 24 | 8Х-1549 | Винт крепления крышки | Нет в продаже |
|
| 25 | Н-4264 | Винт М3х12 | Нет в продаже |
|
| 26 | 3-082 | Шайба 3 пружинная | Нет в продаже |
|
| 27 | РР362-3702503 | Диод Д7Б в сборе | Нет в продаже |
|
| 28 | Шайба | Шайба | Нет в продаже |
|
| 29 | 6-082 | Шайба 6 пружинная | Нет в продаже |
|
| 30 | Гайка крепления диода | Гайка крепления диода | Нет в продаже |
|
| 31 | РР361-3702330 | Держатель с контактом и угольником реле защиты в сборе | Нет в продаже |
|
| 32 | РР362-3702620 | Якорь реле защиты в сборе | Нет в продаже |
|
| 33 | РР24-3702418 | Пружина | Нет в продаже |
|
| 34 | РР361-3702430 | Держатель с контактом и угольником регулятора напряжения в сборе | Нет в продаже |
|
| 35 | РР362-3702420 | Якорь регулятора напряжения в сборе | Нет в продаже |
|
| 36 | РР315-3702419 | Втулка изоляционная | Нет в продаже |
|
| 37 | 8Х-1497 | Шайба 5,3 | Нет в продаже |
|
| 38 | Х-4003 | Гайка М5 | Нет в продаже |
|
| 38 | Х-4003 | Гайка М5 | Нет в продаже |
|
1
2
2
3
3
4
4
5
6
7
8
9
10
10
11
11
12
13
14
14
15
15
16
16
17
18
18
18
19
19
20
21
22
23
23
24
24
25
26
27
28
29
30
31
32
33
33
34
35
36
37
37
38
38
Содержащиеся в справочниках-каталогах запасные части и детали носят исключительно информационный характер