Оригинальные каталоги
| № | Номер | Наименование | Цена | |
|---|---|---|---|---|
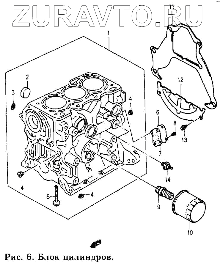
| 1 | 11200А80D00-000 | Блок цилиндров в сборе | Нет в продаже |
|
| 2 | 09241-30002-000 | Пробка | Нет в продаже |
|
| 3 | 02142-06103-000 | Винт | Нет в продаже |
|
| 3 | 09246А05003-000 | Пробка масляной магистрали 1/8 | Нет в продаже |
|
| 4 | 09246А06002-000 | Пробка масляной магистрали 1/4 | Нет в продаже |
|
| 5 | 11261А78В00-000 | Болт крышки подшипника | Нет в продаже |
|
| 6 | 11221А73000-000 | Пластина блока цилиндров | Нет в продаже |
|
| 7 | 11229-73000-000 | Прокладка пластины | Нет в продаже |
|
| 9 | 11241А78В00-000 | Стойка масляного фильтра | Нет в продаже |
|
| 10 | 1651 0А73013-000 | Масляный фильтр в сборе | Нет в продаже |
|
| 10 | 16510А73020-000 | Масляный фильтр в сборе | Нет в продаже |
|
| 11 | 11311-80D01-000 | Перегородка кожуха сцепления | Нет в продаже |
|
| 12 | 11320А60С00-000 | Перегородка кожуха сцепления | Нет в продаже |
|
| 13 | 01954-06103-000 | Болт | Нет в продаже |
|
| 14 | 37821А82010-000 | Датчик давления масла | Нет в продаже |
|
1
2
3
3
4
5
6
7
9
10
10
11
12
13
14
Содержащиеся в справочниках-каталогах запасные части и детали носят исключительно информационный характер