Оригинальные каталоги
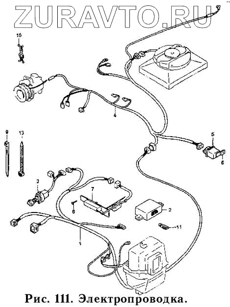
| № | Номер | Наименование | Цена | |
|---|---|---|---|---|
| 1 | 95532-02V00-000 | Жгут электропроводки №1 | Нет в продаже |
|
| 2 | 95575А80D 10-000 | Устройство управления | Нет в продаже |
|
| 3 | 95571 А85001-000 | Включатель кондиционера в сборе | Нет в продаже |
|
| 4 | 95531А03D41-000 | Жгут электропроводки №2 | Нет в продаже |
|
| 4 | 09481-15800-000 | Предохранитель | Нет в продаже |
|
| 5 | 38850А60А01-000 | Реле в сборе | Нет в продаже |
|
| 6 | 38851А83D01-000 | Кронштейн реле в сборе | Нет в продаже |
|
| 7 | 95590А80D00-000 | Рукоятка управления | Нет в продаже |
|
| 8 | 03241-04126-000 | Винт рукоятки управления | Нет в продаже |
|
| 9 | 09407А14407-000 | Зажим жгута провода | Нет в продаже |
|
| 10 | 09408-00013-000 | Зажим | Нет в продаже |
|
| 11 | 09404-08403-000 | Крепление вакуумного шланга | Нет в продаже |
|
| 12 | 36930А82002-000 | Кожух | Нет в продаже |
|
| 13 | 09404-11402-000 | Зажим жгута проводов | Нет в продаже |
|
1
2
3
4
4
5
6
7
8
9
10
11
13
Содержащиеся в справочниках-каталогах запасные части и детали носят исключительно информационный характер