Оригинальные каталоги
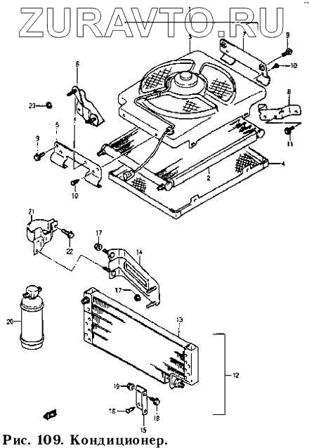
| № | Номер | Наименование | Цена | |
|---|---|---|---|---|
| 1 | 95300А83D41-000 | Вспомогательный конденсатор | Нет в продаже |
|
| 2 | 95310А80D40-000 | Вспомогательный конденсатор | Нет в продаже |
|
| 3 | 95520А80D41-000 | Вентилятор конденсатора в сборе | Нет в продаже |
|
| 4 | 95334-80D 40-000 | Ограждение | Нет в продаже |
|
| 5 | 95335А83D40-000 | Передняя стойка конденсатора | Нет в продаже |
|
| 6 | 95331А83D40-000 | Кронштейн конденсатора | Нет в продаже |
|
| 7 | 9533ЕА80D40-000 | Задняя стойка конденсатора | Нет в продаже |
|
| 8 | 95332А83D40-000 | Кронштейн конденсатора | Нет в продаже |
|
| 9 | 01957-06253-000 | Болт | Нет в продаже |
|
| 10 | 01957-06123-000 | Болт | Нет в продаже |
|
| 11 | 09138-06027-000 | Болт кронштейна конденсатора | Нет в продаже |
|
| 12 | 95320А83D41-000 | Конденсатор в сборе | Нет в продаже |
|
| 13 | 95321А83D40-000 | Конденсатор в комплекте | Нет в продаже |
|
| 14 | 95950-80D00-000 | Передний кронштейн конденсатора | Нет в продаже |
|
| 15 | 95952-85460-000 | Передний кронштейн конденсатора | Нет в продаже |
|
| 16 | 03141-05123-000 | Винт | Нет в продаже |
|
| 17 | 08316-26063-000 | Гайка | Нет в продаже |
|
| 18 | 01957-06103-000 | Болт | Нет в продаже |
|
| 19 | 08316-26063-000 | Гайка | Нет в продаже |
|
| 20 | 95330А83D40-000 | емкость с фрионом | Нет в продаже |
|
| 21 | 95930-85080-000 | Кронштейн емкости с фрионом | Нет в продаже |
|
| 22 | 01957-06163-000 | Болт крышки приводного ремня | Нет в продаже |
|
| 23 | 08316-26063-000 | Гайка | Нет в продаже |
|
| 24 | 01957-06103-000 | Болт | Нет в продаже |
|
1
2
3
4
5
6
7
8
9
10
11
12
13
14
15
16
17
18
19
20
21
22
23
Содержащиеся в справочниках-каталогах запасные части и детали носят исключительно информационный характер