Оригинальные каталоги
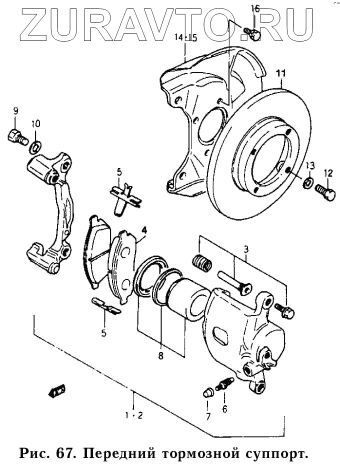
| № | Номер | Наименование | Цена | |
|---|---|---|---|---|
| 1 | 55101А85000-000 | Суппорт дискового тормоза в сборе | Нет в продаже |
|
| 2 | 55102А85000-000 | Суппорт дискового тормоза в сборе | Нет в продаже |
|
| 3 | 55103-80800-000 | Палец и чехол в сборе | Нет в продаже |
|
| 4 | 55104-80800-000 | Тормозная колодка в сборе | Нет в продаже |
|
| 5 | 55234-80Y00-000 | Пружина тормозной колодки | Нет в продаже |
|
| 6 | 53473-84010-000 | Пробка выпуска воздуха | Нет в продаже |
|
| 7 | 52474А60010-000 | Крышка пробки | Нет в продаже |
|
| 8 | 55105-80800-000 | Поршень с манжетой в сборе | Нет в продаже |
|
| 9 | 09119-12015-000 | Болт суппорта тормоза | Нет в продаже |
|
| 10 | 08321-31123-000 | Стопорная шайба | Нет в продаже |
|
| 11 | 55311А60В11-000 | Передний тормозной диск | Нет в продаже |
|
| 12 | 09100-10237-000 | Болт тормозного диска | Нет в продаже |
|
| 13 | 08321-31103-000 | Шайба | Нет в продаже |
|
| 14 | 55301А85000-000 | Кожух в комплекте | Нет в продаже |
|
| 15 | 55302А85000-000 | Кожух в комплекте | Нет в продаже |
|
| 16 | 09117-08083-000 | Болт держателя | Нет в продаже |
|
1
2
3
4
5
6
7
8
9
10
11
12
13
14
15
16
Содержащиеся в справочниках-каталогах запасные части и детали носят исключительно информационный характер