Оригинальные каталоги
| № | Номер | Наименование | Цена | |
|---|---|---|---|---|
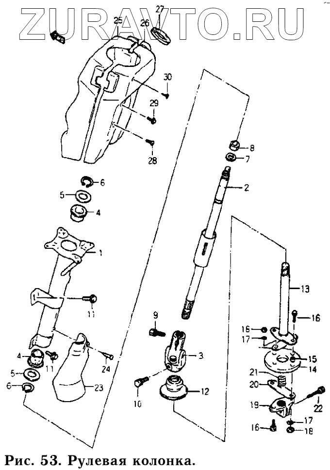
| 482S1-80D00-000 | 482S1-80D00-000 | Рулевая колонка в сборе | Нет в продаже |
|
| 1 | 48310А85200-000 | Рулевая колонка | Нет в продаже |
|
| 2 | 48211А85200-000 | Верхний вал рулевой колонки | Нет в продаже |
|
| 3 | 48230А85000-000 | Шарнир рулевой колонки | Нет в продаже |
|
| 4 | 48381-85000-000 | Втулка | Нет в продаже |
|
| 5 | 09160-17021-000 | Шайба | Нет в продаже |
|
| 6 | 08331-31176-000 | Стопорное кольцо | Нет в продаже |
|
| 7 | 09162-12004-000 | Стопорная шайба рулевого вала | Нет в продаже |
|
| 8 | 09140-12022-000 | Гайка рулевого вала | Нет в продаже |
|
| 10 | 09117-08034-000 | Болт | Нет в продаже |
|
| 11 | 01954-08169-000 | Болт суппорта рулевой колонки | Нет в продаже |
|
| 12 | 48491-85000-000 | Уплотняющая резина | Нет в продаже |
|
| 13 | 482S 1-85000-000 | Нижняя ось рулевого механизма | Нет в продаже |
|
| 14 | 48251-52000-000 | Эластичная муфта | Нет в продаже |
|
| 15 | 09180-08007-000 | Втулка резинового соединения | Нет в продаже |
|
| 16 | 01907-08256-000 | Болт | Нет в продаже |
|
| 17 | 08321-31086-000 | Стопорная шайба | Нет в продаже |
|
| 18 | 08310-11086-000 | Гайка резинового соединения | Нет в продаже |
|
| 19 | 48270-85000-000 | Фланец резинового соединения | Нет в продаже |
|
| 20 | 48262-58001-000 | Пластина | Нет в продаже |
|
| 21 | 48281-85000-000 | Пружина-гаситель | Нет в продаже |
|
| 22 | 09117-08053-000 | Болт | Нет в продаже |
|
| 23 | 48291-85000-000 | Кожух шарнира | Нет в продаже |
|
| 24 | 02142-05083-000 | Винт | Нет в продаже |
|
| 25 | 48411А80D00-5SF | Кожух рулевой колонки | Нет в продаже |
|
| 26 | 48421А80D00-5SF | Кожух рулевой колонки | Нет в продаже |
|
| 27 | 48419-75000-000 | Уплотнение | Нет в продаже |
|
| 28 | 02142-05089-000 | Винт крышки №1 | Нет в продаже |
|
| 29 | 09136-05030-000 | Винт №1 | Нет в продаже |
|
| 30 | 03241-05163-000 | Винт | Нет в продаже |
|
1
2
3
4
5
6
7
8
10
11
12
13
14
15
16
17
18
19
20
21
22
23
24
25
26
27
28
29
30
Содержащиеся в справочниках-каталогах запасные части и детали носят исключительно информационный характер