Оригинальные каталоги
| № | Номер | Наименование | Цена | |
|---|---|---|---|---|
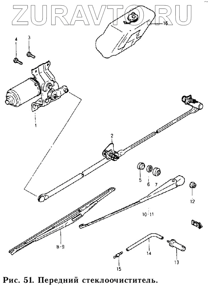
| 38400А60С00-000 | 38400А60С00-000 | Стеклоомыватель в сборе | Нет в продаже |
|
| 38100А60С00-000 | 38100А60С00-000 | Стеклоочиститель в сборе | Нет в продаже |
|
| 1 | 38101А85030-000 | Мотор стеклоочистителя в сборе | Нет в продаже |
|
| 2 | 38102А60С20-000 | Рычаг стеклоочистителя в сборе | Нет в продаже |
|
| 3 | 09115А06001-000 | Болт | Нет в продаже |
|
| 4 | 01114-06106-000 | Болт стеклоочистителя | Нет в продаже |
|
| 5 | 38271-60С00-000 | Болт рычага | Нет в продаже |
|
| 6 | 38278А67011-000 | Гайка | Нет в продаже |
|
| 7 | 38274А85000-000 | Крышка рычага стеклоочистителя | Нет в продаже |
|
| 8 | 38350А60С31-000 | Щетка | Нет в продаже |
|
| 8 | 3831 0А60С31-000 | Стеклоомыватель в сборе | Нет в продаже |
|
| 9 | 38340А71 В 00-000 | Щетка | Нет в продаже |
|
| 10 | 38330А60031-000 | Рычаг привода стеклоочистителя | Нет в продаже |
|
| 11 | 3831 0А60С31-000 | Стеклоомыватель в сборе | Нет в продаже |
|
| 12 | 08310-11063-000 | Гайка | Нет в продаже |
|
| 13 | 38481А85000-000 | Форсунка | Нет в продаже |
|
| 14 | 38491 А55111-000 | Трубка | Нет в продаже |
|
| 15 | 38476-66010-000 | Соединитель | Нет в продаже |
|
| 16 | 38450А60С00-000 | Бачок стеклоомывателя | Нет в продаже |
|
| 17 | 38410А60С00-000 | Насос стеклоомывателя в сборе | Нет в продаже |
|
1
2
3
4
5
6
7
8
8
9
10
11
12
13
14
15
16
Содержащиеся в справочниках-каталогах запасные части и детали носят исключительно информационный характер