Оригинальные каталоги
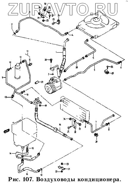
| № | Номер | Наименование | Цена | |
|---|---|---|---|---|
| 1 | 95720А83D41-000 | Нагнетательная трубка | Нет в продаже |
|
| 3 | 95737А83D41-000 | Выходная трубка кондиционера | Нет в продаже |
|
| 4 | 09280-11006-000 | Шайба | Нет в продаже |
|
| 5 | 95734А83D41-000 | Входная трубка | Нет в продаже |
|
| 7 | 95735А83D41-000 | Впускная трубка | Нет в продаже |
|
| 9 | 95733А83D41-000 | Входная трубка кондиционера | Нет в продаже |
|
| 11 | 95732А80D41-000 | Выходная трубка емкости с фрионом | Нет в продаже |
|
| 12 | 95526А70В00-000 | Клапан подающего канала | Нет в продаже |
|
| 14 | 95731А80D41-000 | Входная трубка охладителя | Нет в продаже |
|
| 15 | 09280-08017-000 | Шайба | Нет в продаже |
|
| 16 | 95741А80D41-000 | Выходная трубка охладителя | Нет в продаже |
|
| 18 | 9571 0А80D42-000 | Трубка компрессора в комплекте | Нет в продаже |
|
| 19 | 09280-14012-000 | Шайба | Нет в продаже |
|
| 20 | 01957-08503-000 | Болт нагнетательной трубки | Нет в продаже |
|
| 21 | 95771-85000-000 | Крепление трубки | Нет в продаже |
|
| 22 | 03141-06163-000 | Винт | Нет в продаже |
|
| 23 | 09148-06006-000 | Гайка зажима | Нет в продаже |
|
| 24 | 95774А60С00-000 | Зажим подающей трубки | Нет в продаже |
|
| 25 | 03141-06123-000 | Винт ограждения панели отопления | Нет в продаже |
|
| 26 | 09408-00032-000 | Крепление обратной трубки | Нет в продаже |
|
| 27 | 95777А80D02-000 | Уплотнитель | Нет в продаже |
|
1
3
4
5
7
9
11
14
15
19
20
21
22
24
25
26
27
Содержащиеся в справочниках-каталогах запасные части и детали носят исключительно информационный характер