Оригинальные каталоги
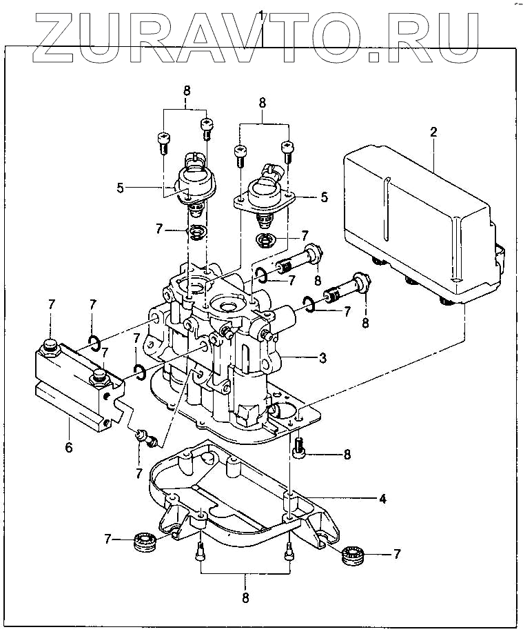
| № | Номер | Наименование | Цена | |
|---|---|---|---|---|
| 1 | 18018426 | Блок управления гидравликой | Нет в продаже |
|
| 2 | 22122172С | Корпус мотора | Нет в продаже |
|
| 3 | 18020891 | Модулятор АБС в сборе | Нет в продаже |
|
| 4 | 18021777С | Крышка шестерен | Нет в продаже |
|
| 5 | 18021779С | Соленоид | Нет в продаже |
|
| 6 | 18021778С | Блок модулятора в сборе | Нет в продаже |
|
| 7 | 18020884А | Уплотнение | Нет в продаже |
|
| 8 | 18020899А | Винты (комплект) | Нет в продаже |
|
1
2
3
4
5
6
7
8
Содержащиеся в справочниках-каталогах запасные части и детали носят исключительно информационный характер