Оригинальные каталоги
| № | Номер | Наименование | Цена | |
|---|---|---|---|---|
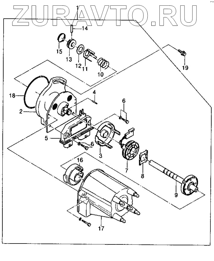
| 1 | 01103969-А | Распределитель зажигания в сборе | Нет в продаже |
|
| 1 | 1103649 | Распределитель зажигания в сборе | Нет в продаже |
|
| 2 | 10475420 | Пластинка и основа | Нет в продаже |
|
| 2 | 10476543 | Пластинка и основа | Нет в продаже |
|
| 3 | 10495801 | Часть стационарного полюса | Нет в продаже |
|
| 4 | 9440951 | Палец пружины | Нет в продаже |
|
| 5 | 1989747 | Модуль | Нет в продаже |
|
| 5 | 10496541 | Модуль | Нет в продаже |
|
| 6 | 1987972 | Винт и шайба | Нет в продаже |
|
| 7 | 10470197 | Катушка в сборе | Нет в продаже |
|
| 8 | 1989282 | Седло пружины | Нет в продаже |
|
| 9 | 10476540 | Главный вал в сборе | Нет в продаже |
|
| 9 | 10496287 | Главный вал в сборе | Нет в продаже |
|
| 10 | 1989582 | Пружина | Нет в продаже |
|
| 11 | 1988075 | Шайба хвостовика | Нет в продаже |
|
| 12 | 1977937 | Шайба | Нет в продаже |
|
| 13 | 10471909 | Муфта | Нет в продаже |
|
| 13 | 1986754 | Муфта | Нет в продаже |
|
| 14 | 1985402 | Роликовый палец | Нет в продаже |
|
| 15 | 10496521 | Пружинный стопор | Нет в продаже |
|
| 16 | 10495411 | Ротор | Нет в продаже |
|
| 16 | 10472007 | Ротор | Нет в продаже |
|
| 17 | 10467543 | Крышка распределителя | Нет в продаже |
|
| 17 | 10496278 | Крышка распределителя | Нет в продаже |
|
| 18 | 10496401 | Кольцо | Нет в продаже |
|
| 18 | 1972943 | Стопорное кольцо | Нет в продаже |
|
| 19 | 96130866 | Винт | Нет в продаже |
|
1
1
2
2
3
4
5
5
6
7
8
9
9
10
11
12
13
13
14
15
16
16
17
17
18
18
19
Содержащиеся в справочниках-каталогах запасные части и детали носят исключительно информационный характер