Оригинальные каталоги
| № | Номер | Наименование | Цена | |
|---|---|---|---|---|
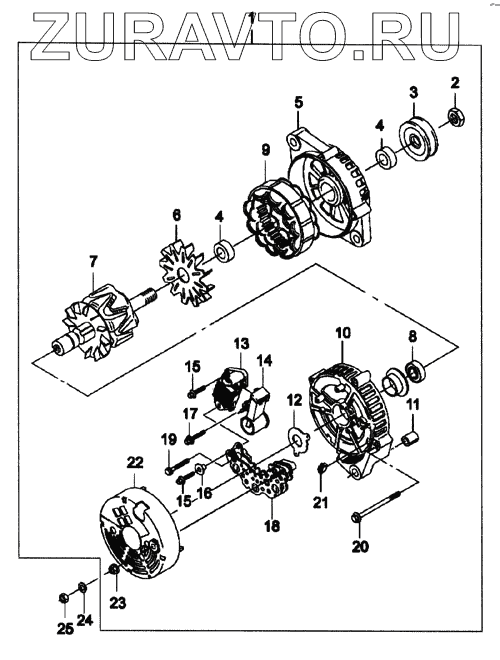
| 1 | 96380673 | ГЕНЕРАТОР | Нет в продаже |
|
| 2 | 219170 | ГАЙКА | Нет в продаже |
|
| 3 | DАВ28007 | ШКИВ ГЕНЕРАТОРА | Нет в продаже |
|
| 4 | 10492344 | ВТУЛКА | Нет в продаже |
|
| 5 | 211026 | КОРПУС | Нет в продаже |
|
| 6 | 10493056 | КРЫЛЬЧАТКА | Нет в продаже |
|
| 7 | 211015 | РОТОР ГЕНЕРАТОРА | Нет в продаже |
|
| 8 | 210938 | ПОДШИПНИК | Нет в продаже |
|
| 9 | 211021 | СТАТОР ГЕНЕРАТОРА | Нет в продаже |
|
| 10 | 211029 | РАМА | Нет в продаже |
|
| 11 | 210105 | ВТУЛКА | Нет в продаже |
|
| 12 | 211145 | ЩИТ | Нет в продаже |
|
| 13 | 271910 | РЕГУЛЯТОР НАПРАЖЕНИЯ | Нет в продаже |
|
| 14 | 211089 | ЩЕТКИ ГЕНЕРАТОРА | Нет в продаже |
|
| 15 | 1989650 | ВИНТ | Нет в продаже |
|
| 16 | 210777 | ИЗОЛЯТОР | Нет в продаже |
|
| 17 | 1989681 | Винт | Нет в продаже |
|
| 18 | 266000 | МОСТ ДИОДНЫЙ | Нет в продаже |
|
| 19 | 210788 | ВИНТ | Нет в продаже |
|
| 20 | 10473999 | Болт | Нет в продаже |
|
| 21 | 210775 | ИЗОЛЯТОР | Нет в продаже |
|
| 22 | 211030 | КРЫШКА ГЕНЕРАТОРА | Нет в продаже |
|
| 23 | DАВ27011 | ГАЙКА | Нет в продаже |
|
| 24 | 08321-31060-000 | ШАЙБА | Нет в продаже |
|
| 24 | 94525017 | ШАЙБА | Нет в продаже |
|
| 25 | 08310-11060-000 | ГАЙКА | Нет в продаже |
|
| 25 | 94515026 | ГАЙКА | Нет в продаже |
|
1
2
3
4
4
5
6
7
8
9
10
11
12
13
14
15
15
16
17
18
19
20
21
22
23
24
24
25
25
Содержащиеся в справочниках-каталогах запасные части и детали носят исключительно информационный характер