Оригинальные каталоги
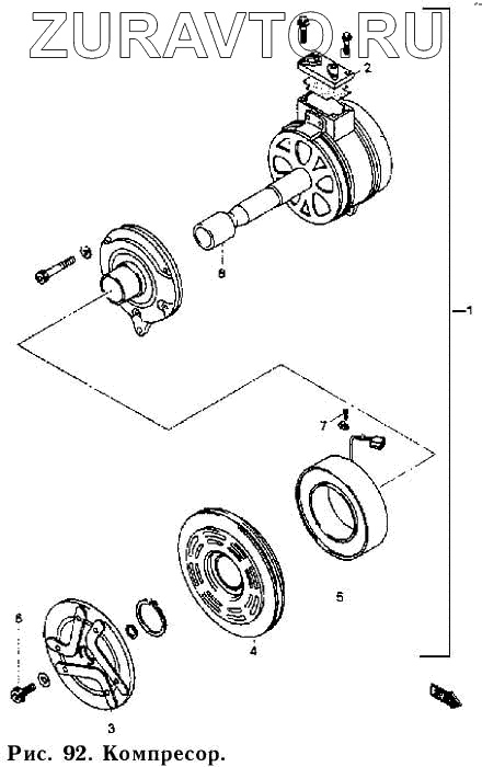
| № | Номер | Наименование | Цена | |
|---|---|---|---|---|
| 1 | 95200А78В30-000 | Компрессор | Нет в продаже |
|
| 2 | 95201А78820-000 | Соединитель шланга | Нет в продаже |
|
| 3 | 95920А78В30-000 | Сцепление привода в сборе | Нет в продаже |
|
| 4 | 95930А78В30-000 | Шкив компрессора | Нет в продаже |
|
| 5 | 95940А78В30-000 | Катушка и корпус в сборе | Нет в продаже |
|
| 6 | 95202А78810-000 | Болт вала | Нет в продаже |
|
| 7 | 95202А78860-000 | Зажимной винт | Нет в продаже |
|
| 8 | 95261 А78В10-000 | Подшипник основного вала | Нет в продаже |
|
1
2
3
4
5
6
7
8
Содержащиеся в справочниках-каталогах запасные части и детали носят исключительно информационный характер