Оригинальные каталоги
| № | Номер | Наименование | Цена | |
|---|---|---|---|---|
| 21-1002009-Б | 21-1002009-Б | Блок цилиндров с картером переходным и картером гидротрансформатора в сборе | Нет в продаже |
|
| 252134-П2 | 252134-П2 | Шайба 6Т ОСТ 37.001.115-75 | Нет в продаже |
|
| 252134-П2 | 252134-П2 | Шайба 6Т ОСТ 37.001.115-75 | Нет в продаже |
|
| 293277-П8 | 293277-П8 | Шайба 8 | Нет в продаже |
|
| 252155-П2 | 252155-П2 | Шайба 8Л ОСТ 37.001.115-75 | Нет в продаже |
|
| 252135-П2 | 252135-П2 | Шайба 8Т ОСТ 37.001.115-75 | Нет в продаже |
|
| 252135-П2 | 252135-П2 | Шайба 8Т ОСТ 37.001.115-75 | Нет в продаже |
|
| 252155-П2 | 252155-П2 | Шайба 8Л ОСТ 37.001.115-75 | Нет в продаже |
|
| 293371-П | 293371-П | Шайба 13 | Нет в продаже |
|
| 291732-П | 291732-П | Шпилька М8х1х14 | Нет в продаже |
|
| 297575-П8 | 297575-П8 | Шплинт хомутика | Нет в продаже |
|
| 295128-П | 295128-П | Штифт 13х28 | Нет в продаже |
|
| 293469-П | 293469-П | Шайба 18 | Нет в продаже |
|
| 252155-П2 | 252155-П2 | Шайба 8Л ОСТ 37.001.115-75 | Нет в продаже |
|
| 21А-1002009-Б | 21А-1002009-Б | Блок цилиндров с картером сцепления в сборе | Нет в продаже |
|
| 296997-П | 296997-П | Заглушка диаметром 55 | Нет в продаже |
|
| 51-1305010 | 51-1305010 | Краник 1/4" спускной водяной рубашки цилиндров | Нет в продаже |
|
| 21-1011010-Б | 21-1011010-Б | Насос масляный в сборе | Нет в продаже |
|
| 21-1011062 | 21-1011062 | Плунжер редукционного клапана | Нет в продаже |
|
| 21-1016010-Б | 21-1016010-Б | Привод распределителя в сборе | Нет в продаже |
|
| 262531-П | 262531-П | Пробка КГ 1/8" | Нет в продаже |
|
| 262518-П | 262518-П | Пробка КГ 3/8" | Нет в продаже |
|
| 262518-П | 262518-П | Пробка КГ 3/8" | Нет в продаже |
|
| 296494-П8 | 296494-П8 | Пробка М18х1,5х12 | Нет в продаже |
|
| 21-1011058-Б | 21-1011058-Б | Пружина редукционного клапана | Нет в продаже |
|
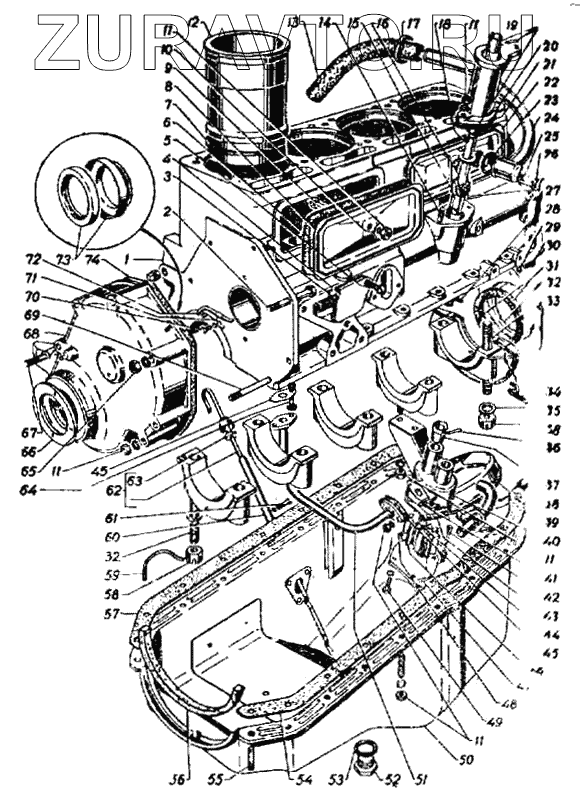
| 1 | 21-1002010-Б | Блок цилиндров в сборе | Нет в продаже |
|
| 2 | 200272-П8 | Болт М8х1,25х65 | Нет в продаже |
|
| 3 | 21-1017316 | Прокладка заглушки | Нет в продаже |
|
| 4 | 321-1017395 | Заглушка сливного отверстия фильтра центробежной очистки масла | Нет в продаже |
|
| 5 | 290757-П | Винт М10х30 крепления заглушки | Нет в продаже |
|
| 6 | 20-1002116-А | Прокладка крышки коробки толкателей | Нет в продаже |
|
| 7 | 21-1002024 | Кольцо уплотнительное гильзы цилиндра | Нет в продаже |
|
| 8 | 20-1002110 | Крышка клапанной коробки передняя в сборе | Нет в продаже |
|
| 9 | 216244-П8 | Шпилька 1М8х45 крепления крышки коробки толкателей | Нет в продаже |
|
| 10 | 293264-П | Шайба 8 | Нет в продаже |
|
| 11 | 250511-П8 | Гайка М8х1 | Нет в продаже |
|
| 11 | 250511-П8 | Гайка М8х1 | Нет в продаже |
|
| 11 | 250511-П8 | Гайка М8х1 | Нет в продаже |
|
| 11 | 250511-П8 | Гайка М8х1 | Нет в продаже |
|
| 11 | 250511-П | Гайка М8х1-6Н | Нет в продаже |
|
| 11 | 250511-П8 | Гайка М8х1 | Нет в продаже |
|
| 12 | 21-1002020-Б | Гильза цилиндра в сборе | Нет в продаже |
|
| 13 | 64-6745 | Шланг | Нет в продаже |
|
| 14 | 291747-П | Шпилька 1М8х22 крепления масляного насоса | Нет в продаже |
|
| 14 | 291747-П8 | Шпилька М8х1-4hх22 | Нет в продаже |
|
| 15 | 21-1016018-Б | Шестерня привода распределителя | Нет в продаже |
|
| 16 | 21-1011220-Б | Валик привода масляного насоса | Нет в продаже |
|
| 17 | 297584-П8 | Лента 10х235 | Нет в продаже |
|
| 18 | 258709-П | Штифт диаметр 3х12 цилиндрический валика привода маслонасоса | Нет в продаже |
|
| 19 | 21-1016012-Б | Валик привода распределителя с упорной втулкой в сборе | Нет в продаже |
|
| 20 | 21-1016019-А | Корпус привода распределителя в сборе | Нет в продаже |
|
| 21 | 21-1016023 | Прокладка корпуса привода распределителя | Нет в продаже |
|
| 22 | 21-1002111 | Крышка коробки толкателей задняя в сборе | Нет в продаже |
|
| 23 | 51-1014053-Б | Прокладка патрубка | Нет в продаже |
|
| 24 | 21-1014055-Б | Трубка вытяжная вентиляции картера в сборе | Нет в продаже |
|
| 25 | 293264-П | Шайба 8 | Нет в продаже |
|
| 26 | 200272-П8 | Болт М8х1,25х65 | Нет в продаже |
|
| 27 | 258616-П | Штифт 4х22 | Нет в продаже |
|
| 28 | 11-6335-Б | Прокладка уплотнительная крышки заднего подшипника коленчатого вала правая | Нет в продаже |
|
| 29 | 252174-П8 | Шайба 6 пружинная | Нет в продаже |
|
| 30 | 290489-П | Болт М6-6gх12 | Нет в продаже |
|
| 31 | 11-6702-А2 | Набивка сальника | Нет в продаже |
|
| 32 | 11-6699-А | Держатель сальника заднего подшипника коленчатого вала | Нет в продаже |
|
| 33 | 291907-П | Шпилька 1М14х78 крепления подшипников коленчатого вала | Нет в продаже |
|
| 34 | 11-6336-Б | Прокладка уплотнительная крышки заднего подшипника коленчатого вала левая | Нет в продаже |
|
| 35 | 293398-П18 | Шайба 15 | Нет в продаже |
|
| 36 | 294958-П | Штифт 4х19 | Нет в продаже |
|
| 37 | 21-1011066-Б | Втулка валика масляного насоса | Нет в продаже |
|
| 38 | 21-1009073 | Прокладка масляного картера - задняя | Нет в продаже |
|
| 39 | 11-6660 | Маслоприемник в сборе | Нет в продаже |
|
| 40 | 21-1011015-Б | Корпус масляного насоса в сборе | Нет в продаже |
|
| 41 | 216232-П | Шпилька М8х1х16 | Нет в продаже |
|
| 42 | 258040-П | Шплинт 2,7х25 | Нет в продаже |
|
| 43 | 21-1011065 | Прокладка крышки масляного насоса | Нет в продаже |
|
| 44 | 21-1011042-Б | Валик масляного насоса | Нет в продаже |
|
| 45 | 21-1011086 | Прокладка фланца нагнетательной трубки масляного насоса | Нет в продаже |
|
| 46 | 21-1011032 | Шестерня ведомая масляного насоса | Нет в продаже |
|
| 47 | 21-1011052-Б | Крышка масляного насоса | Нет в продаже |
|
| 48 | 258926-П | Штифт 3х18 | Нет в продаже |
|
| 49 | 201420-П2 | Болт М6х20 крышки масляного насоса | Нет в продаже |
|
| 50 | 21-1009010-А2 | Картер масляный в сборе | Нет в продаже |
|
| 51 | 21-1011082-Б1 | Трубка нагнетательная масляного насоса в сборе | Нет в продаже |
|
| 52 | 296507-П8 | Пробка М22х1,5х10 | Нет в продаже |
|
| 53 | 297282-П | Прокладка диаметром 22 пробки в сборе | Нет в продаже |
|
| 54 | 21-1009071 | Прокладка масляного картера - левая | Нет в продаже |
|
| 55 | 216232-П | Шпилька М8х1х16 | Нет в продаже |
|
| 56 | 21-1009072 | Прокладка масляного картера - передняя | Нет в продаже |
|
| 57 | 21-1009070 | Прокладка масляного картера - правая | Нет в продаже |
|
| 58 | 292857-П | Гайка 1М14 шпилек крепления подшипников коленчатого вала прорезная | Нет в продаже |
|
| 59 | 257885-П | Шплинт-проволока диаметром 1,6х275 | Нет в продаже |
|
| 60 | 21-1009045 | Трубка указателя уровня масла | Нет в продаже |
|
| 61 | 201422-П8 | Болт М6-6gх25 | Нет в продаже |
|
| 62 | 21-1009050 | Указатель уровня масла в сборе | Нет в продаже |
|
| 63 | 21-1009056 | Шайба уплотнительная указателя уровня масла | Нет в продаже |
|
| 64 | 201243-П8 | Болт М8х25 крепления нагнетательной трубки к блоку | Нет в продаже |
|
| 65 | 250510-П8 | Гайка М8х1,25 | Нет в продаже |
|
| 66 | 21-1002069-Б | Кольцо уплотнительное сальника крышки распределительных шестерен | Нет в продаже |
|
| 67 | 291752-П8 | Шпилька 1М8х38 крепления крышки распределительных шестерен | Нет в продаже |
|
| 68 | 21-1002058-Б | Крышка распределительных шестерен в сборе | Нет в продаже |
|
| 69 | 291758-П8 | Шпилька 1М8х58 крепления крышки распределительных шестерен | Нет в продаже |
|
| 70 | 290489-П | Болт М6-6gх12 | Нет в продаже |
|
| 71 | 11-6095 | Скоба крепления привода замка капота | Нет в продаже |
|
| 72 | 11-6094 | Трубка смазки распределительных шестерен | Нет в продаже |
|
| 73 | 21-1005032 | Сальник передний коленчатого вала с отражателем в сборе | Нет в продаже |
|
| 74 | 21-1002064-Б | Прокладка крышки распределительных шестерен | Нет в продаже |
|
1
2
3
4
5
6
7
8
9
10
11
11
11
11
11
11
11
11
11
11
12
13
14
14
15
16
17
18
19
20
21
22
23
24
25
26
27
28
29
30
31
32
32
33
34
35
36
37
38
39
40
41
42
43
44
45
45
46
47
48
49
50
51
52
53
54
55
56
57
58
58
59
60
61
62
63
64
65
66
67
68
69
70
71
72
73
74
Содержащиеся в справочниках-каталогах запасные части и детали носят исключительно информационный характер