Оригинальные каталоги
| № | Номер | Наименование | Цена | |
|---|---|---|---|---|
| 240820-П8 | 240820-П8 | Винт 4х18 | Нет в продаже |
|
| 252136-П2 | 252136-П2 | Шайба 10 ОТ ОСТ 37.001.115-75 | Нет в продаже |
|
| 252136-П2 | 252136-П2 | Шайба 10 ОТ ОСТ 37.001.115-75 | Нет в продаже |
|
| 252265-П8 | 252265-П8 | Шайба | Нет в продаже |
|
| 252136-П2 | 252136-П2 | Шайба 10 ОТ ОСТ 37.001.115-75 | Нет в продаже |
|
| 21-6106101-Б | 21-6106101-Б | Фиксатор передней двери в сборе - левый | Нет в продаже |
|
| 21-6206027 | 21-6206027 | Петля задней двери нижняя в сборе - левая | Нет в продаже |
|
| 21-6206011 | 21-6206011 | Петля задней двери верхняя в сборе - левая | Нет в продаже |
|
| 21-6201561 | 21-6201561 | Облицовка порога задней двери - левая | Нет в продаже |
|
| 252233-П8 | 252233-П8 | Шайба 5 пружинная | Нет в продаже |
|
| 293226-П8 | 293226-П8 | Шайба 6 пружинная | Нет в продаже |
|
| 240818-П27 | 240818-П27 | Шуруп по металлу 4х12 | Нет в продаже |
|
| 240816-П8 | 240816-П8 | Винт М4х6 | Нет в продаже |
|
| 240276-П8 | 240276-П8 | Шуруп 3,5х6 | Нет в продаже |
|
| 240219-П8 | 240219-П8 | Шуруп по металлу 4х15 | Нет в продаже |
|
| 258000-П8 | 258000-П8 | Шплинт 1,5х10 | Нет в продаже |
|
| 252264-П8 | 252264-П8 | Шайба 8 | Нет в продаже |
|
| 252037-П8 | 252037-П8 | Шайба 6 | Нет в продаже |
|
| 252263-П8 | 252263-П8 | Шайба 6 пружинная | Нет в продаже |
|
| 21А-6202010 | 21А-6202010 | Обивка задней двери в сборе комплект - правая | Нет в продаже |
|
| 21А-6202011 | 21А-6202011 | Обивка задней двери в сборе комплект - левая | Нет в продаже |
|
| 21-6202011 | 21-6202011 | Обивка задней двери в сборе комплект - левая | Нет в продаже |
|
| 21-6200015-Б | 21-6200015-Б | Дверь задняя в сборе сварка - левая | Нет в продаже |
|
| 21-6200015 | 21-6200015 | Дверь задняя в сборе сварка - левая | Нет в продаже |
|
| 261853-П9 | 261853-П9 | Гвоздь диаметром 1,6х12 обойный крепления канта проема | Нет в продаже |
|
| 250763-П8 | 250763-П8 | Гайка М5х0,8 | Нет в продаже |
|
| 290271-П8 | 290271-П8 | Винт М4х5,5 | Нет в продаже |
|
| 240817-П8 | 240817-П8 | Винт 4х10 | Нет в продаже |
|
| 290754-П8 | 290754-П8 | Болт М10х1-6gх28 | Нет в продаже |
|
| 290749-П8 | 290749-П8 | Болт М10х1-6gх18 | Нет в продаже |
|
| 21-6200014 | 21-6200014 | Дверь задняя в сборе сварка - правая | Нет в продаже |
|
| 21-6200014-Б | 21-6200014-Б | Дверь задняя в сборе сварка - правая | Нет в продаже |
|
| 21-6200011 | 21-6200011 | Дверь задняя с арматурой и стеклами окрашенная и обитая - левая | Нет в продаже |
|
| 21-6201503 | 21-6201503 | Накладка задней двери в сборе - левая | Нет в продаже |
|
| 21-6201481-А1 | 21-6201481-А1 | Молдинг задней двери поясной и сборе левый - комплект | Нет в продаже |
|
| 21-6201489 | 21-6201489 | Молдинг задней двери нижний - левый | Нет в продаже |
|
| 21-6101518 | 21-6101518 | Держатель поясного молдинга | Нет в продаже |
|
| 21-8403122 | 21-8403122 | Держатель нижнего молдинга задней двери | Нет в продаже |
|
| 21-6107022 | 21-6107022 | Держатель крепления уплотнителя | Нет в продаже |
|
| 21-6200010-Б | 21-6200010-Б | Дверь задняя с арматурой и стеклами окрашенная и обитая - правая | Нет в продаже |
|
| 21-6200011-Б | 21-6200011-Б | Дверь задняя с арматурой и стеклами окрашенная и обитая - левая | Нет в продаже |
|
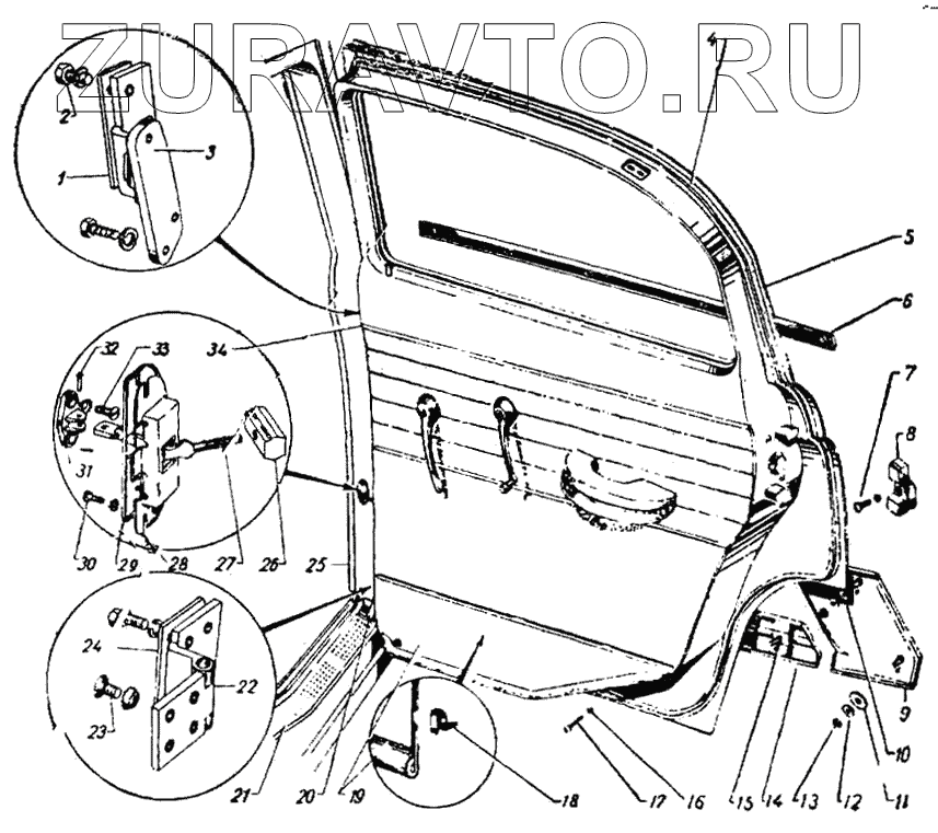
| 1 | 21-6206018 | Пластина прижимная верхней петли | Нет в продаже |
|
| 2 | 290749-П8 | Болт М10х1-6gх18 | Нет в продаже |
|
| 3 | 21-6206010 | Петля задней двери верхняя в сборе - правая | Нет в продаже |
|
| 4 | 21-6207020 | Уплотнитель фланца задней двери | Нет в продаже |
|
| 5 | 21-6200010 | Дверь задняя с арматурой и стеклами окрашенная и обитая - правая | Нет в продаже |
|
| 6 | 21-6201480-А1 | Молдинг задней двери поясной в сборе - правый - комплект | Нет в продаже |
|
| 7 | 223153-П29 | Винт 1М8х22 крепления фиксатора | Нет в продаже |
|
| 8 | 21-6106100-Б | Фиксатор двери в сборе - правый | Нет в продаже |
|
| 9 | 21-6201502 | Накладка задней двери в сборе - правая | Нет в продаже |
|
| 10 | 32-8404066 | Шайба 20 уплотнительная | Нет в продаже |
|
| 11 | 32-8404064 | Шайба 34 уплотнительная | Нет в продаже |
|
| 12 | 293225-П8 | Шайба 6,5 | Нет в продаже |
|
| 13 | 250764-П8 | Гайка М6х1 | Нет в продаже |
|
| 14 | 21-6201488 | Молдинг задней двери нижний - правый | Нет в продаже |
|
| 15 | 21-8403120 | Держатель молдинга | Нет в продаже |
|
| 16 | 293158-П | Шайба 4 | Нет в продаже |
|
| 17 | 241820-П13 | Винт М4х8 | Нет в продаже |
|
| 18 | 21-6102080 | Пистон крепления обивки в сборе | Нет в продаже |
|
| 19 | 21-6202010 | Обивка задней двери в сборе комплект - правая | Нет в продаже |
|
| 20 | 21-6207028 | Уплотнитель торца задней двери | Нет в продаже |
|
| 21 | 21-6201560 | Облицовка порога задней двери - правая | Нет в продаже |
|
| 22 | 21-6206026 | Петля задней двери нижняя в сборе - правая | Нет в продаже |
|
| 23 | 221747-П8 | Винт 1М10х22 | Нет в продаже |
|
| 24 | 21-6206052 | Пластина прижимная нижней петли | Нет в продаже |
|
| 25 | 21-6207048 | Кант проема задней двери в сборе | Нет в продаже |
|
| 26 | 30-6106086 | Буфер ограничителя двери | Нет в продаже |
|
| 27 | 21-6206090 | Рычаг ограничителя задней двери | Нет в продаже |
|
| 28 | 21-6206180 | Стопор ограничителя задней двери в сборе | Нет в продаже |
|
| 29 | 21-6206192 | Облицовка ограничителя задней двери | Нет в продаже |
|
| 30 | 224624-П8 | Винт М6-6gх14 | Нет в продаже |
|
| 31 | 32-6106088 | Кронштейн ограничителя передней двери | Нет в продаже |
|
| 32 | 260009-П8 | Палец 6х14 крепления рычага ограничителя | Нет в продаже |
|
| 33 | 221605-П8 | Винт М6х16 | Нет в продаже |
|
| 34 | 21-6202092 | Держатель обивки задней двери | Нет в продаже |
|
1
2
3
4
5
6
7
8
9
10
11
12
13
14
15
16
17
18
19
20
21
22
23
24
25
26
27
28
29
30
31
32
33
34
Содержащиеся в справочниках-каталогах запасные части и детали носят исключительно информационный характер