Оригинальные каталоги
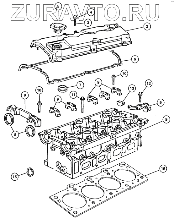
| № | Номер | Наименование | Цена | |
|---|---|---|---|---|
| 1 | 5072474АС | Комплект прокладок крышки клапанов | Нет в продаже |
|
| 2 | 53010493АD | Крышка клапанов | Нет в продаже |
|
| 3 | Винт | Винт | Нет в продаже |
|
| 4 | 477997АА | Изолятор | Нет в продаже |
|
| 5 | 53010656АА | Пробка маслозаливной горловины | Нет в продаже |
|
| 6 | 4777478 | Прокладка крышки клапанов | Нет в продаже |
|
| 7 | 4777477 | Прокладка отверстия для свечи зажигания | Нет в продаже |
|
| 8 | 4777086 | Уплотнение распределительного вала | Нет в продаже |
|
| 9 | 5170051АА | Головка блока цилиндров с крышками распредели- тельных валов | Нет в продаже |
|
| 10 | 6100918 | Болт с фланцевой головкой М6х1,25х35 | Нет в продаже |
|
| 11 | 6504033 | Болт головки цилиндров | Нет в продаже |
|
| 12 | 6101527 | Винт с фланцевой головкой М8х1,25х40 | Нет в продаже |
|
| 13 | 4667731 | Заглушка распределительного вала | Нет в продаже |
|
| 14 | 53010521АА | Заглушка круглая распределительного вала | Нет в продаже |
|
| 15 | 4556020 | Заглушка | Нет в продаже |
|
| 16 | 4884407АА | Прокладка головки цилиндров | Нет в продаже |
|
2
3
4
5
6
7
8
9
9
9
9
9
10
10
11
12
13
15
16
Содержащиеся в справочниках-каталогах запасные части и детали носят исключительно информационный характер