Назад

Оригинальные каталоги

zoom-in zoom-out enlarge shrink circle-right circle-left file-text2 info cart
Номер Наименование Цена
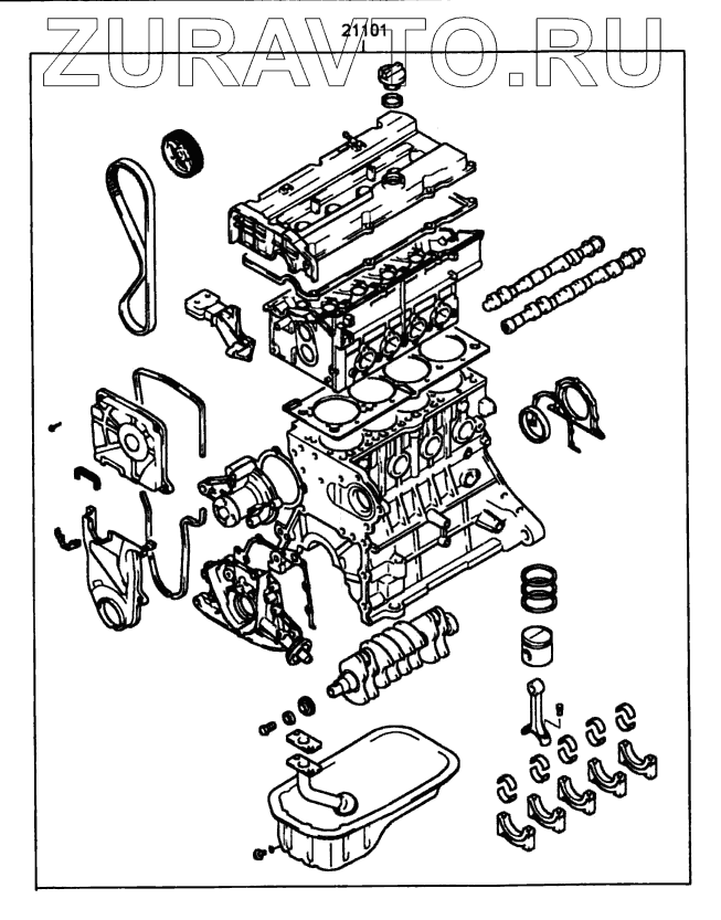
21102 21102-22U00 ЕNGINЕ АSSY-SНОRТ Нет в продаже
21102 21102-22Т00 ЕNGINЕ АSSY-SНОRТ Нет в продаже
21102 21102-22V00 ЕNGINЕ АSSY-SНОRТ Нет в продаже
21102
21102
21102
21102
100%
Содержащиеся в справочниках-каталогах запасные части и детали носят исключительно информационный характер