Оригинальные каталоги
| № | Номер | Наименование | Цена | |
|---|---|---|---|---|
| 250508 | 250508 | Гайка крепления крышки вентиляционного люка | Нет в продаже |
|
| 365139-П | 365139-П | Шайба специальная, уплотнительная | Нет в продаже |
|
| 365136-П | 365136-П | Шайба специальная, уплотнительная | Нет в продаже |
|
| 252004-П29 | 252004-П29 | Шайба | Нет в продаже |
|
| 408-5304177 | 408-5304177 | Тяга привода крышки люка забора воздуха из кузова | Нет в продаже |
|
| 408П-5304142 | 408П-5304142 | Тяга привода крышки вентиляционного люка | Нет в продаже |
|
| 408-5304135-А | 408-5304135-А | Стойка оси петли крышки вентиляционного люка | Нет в продаже |
|
| 408-5304180 | 408-5304180 | Панель рычагов привода крышек вентиляционного люка передка кузова и люка забора воздуха из кузова в сборе | Нет в продаже |
|
| 408-5304136 | 408-5304136 | Ось стойки | Нет в продаже |
|
| 408П-5304144 | 408П-5304144 | Оболочка тяга привода крышки вентиляционного люка | Нет в продаже |
|
| 408П-5304150 | 408П-5304150 | Крышка люка забора воздуха из кузова с каркасом и тягой привода в сборе | Нет в продаже |
|
| 408-5304150 | 408-5304150 | Крышка люка забора воздуха из кузова с каркасом и тягой привода в сборе | Нет в продаже |
|
| 408П-5304008 | 408П-5304008 | Крышка вентиляционного люка передка кузова с тягой в сборе | Нет в продаже |
|
| 408-5304008 | 408-5304008 | Крышка вентиляционного люка передка кузова с тягой в сборе | Нет в продаже |
|
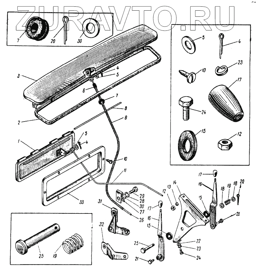
| 1 | 408-5304160 | Крышка люка забора воздуха из кузова с прокладкой в сборе | Нет в продаже |
|
| 2 | 408-5304047 | Уплотнитель | Нет в продаже |
|
| 3 | 408-5304010 | Крышка вентиляционного люка передка кузова в сборе | Нет в продаже |
|
| 4 | 258011-П8 | Шплинт разводной | Нет в продаже |
|
| 4 | 258011-П8 | Шплинт разводной | Нет в продаже |
|
| 5 | 365350-П8 | Шайба специальная | Нет в продаже |
|
| 5 | 365350-П8 | Шайба специальная | Нет в продаже |
|
| 6 | 408-5304145 | Уплотнитель оболочки тяги привода крышки вентиляционного люка | Нет в продаже |
|
| 7 | 400-1108119 | Втулка тяги | Нет в продаже |
|
| 8 | 408-5304162 | Ось крышки люка забора воздуха из кузова | Нет в продаже |
|
| 9 | 408-5304144 | Оболочка тяга привода крышки вентиляционного люка | Нет в продаже |
|
| 10 | 240817-П29 | Винт крепления крышки люка забора воздуха из кузова к кожуху отопителя | Нет в продаже |
|
| 11 | 408-5304177 | Тяга привода крышки люка забора воздуха из кузова | Нет в продаже |
|
| 12 | 250763-П29 | Гайка | Нет в продаже |
|
| 13 | 252133-П2 | Шайба пружинная | Нет в продаже |
|
| 14 | 408-5304185-Б | Основание панели рычагов с гайкой в сборе | Нет в продаже |
|
| 15 | 365078-П | Шайба фрикционная | Нет в продаже |
|
| 16 | 408-5304190 | Рычаг привода крышки вентиляционного люка | Нет в продаже |
|
| 17 | 408-5304182 | Ручка рычагов тяг крышек вентиляционного люка передка кузова и люка забора воздуха из кузова | Нет в продаже |
|
| 18 | 252004-П29 | Шайба | Нет в продаже |
|
| 19 | 408-5304193 | Пружина оси (пальца) панели рычагов | Нет в продаже |
|
| 20 | 258011-П8 | Шплинт разводной | Нет в продаже |
|
| 21 | 360161-П8 | Болт крепления тяг привода крышек вентиляционного люка | Нет в продаже |
|
| 22 | 252004-П29 | Шайба | Нет в продаже |
|
| 23 | 252154-П29 | Шайба пружинная | Нет в продаже |
|
| 24 | 201418-П29 | Болт крепления панели рычагов к поперечине передка | Нет в продаже |
|
| 25 | 260014-П29 | Ось (палец) рычагов | Нет в продаже |
|
| 26 | 408-5304142 | Тяга привода крышки вентиляционного люка | Нет в продаже |
|
| 27 | 408-5304194 | Зажим тяги привода вентиляционного люка передка кузова | Нет в продаже |
|
| 28 | 252134-П29 | Шайба пружинная | Нет в продаже |
|
| 29 | 201418-П29 | Болт крепления панели рычагов к поперечине передка | Нет в продаже |
|
| 30 | 252004-П29 | Шайба | Нет в продаже |
|
| 31 | 408-5304200 | Кронштейн крепления оболочки тяги привода крана отопителя кузова в сборе | Нет в продаже |
|
| 32 | 408П-5304200 | Кронштейн крепления оболочки тяги привода крана отопителя кузова в сборе | Нет в продаже |
|
| 33 | 408-5304152 | Каркас крышки люка забора воздуха из кузова в сборе | Нет в продаже |
|
1
2
3
4
4
4
4
5
5
5
5
6
7
7
8
9
10
10
11
12
12
13
14
15
15
15
16
16
17
17
17
18
18
19
19
20
20
21
21
22
23
23
24
24
25
25
26
27
28
29
30
30
31
32
33
Содержащиеся в справочниках-каталогах запасные части и детали носят исключительно информационный характер