Оригинальные каталоги
| № | Номер | Наименование | Цена | |
|---|---|---|---|---|
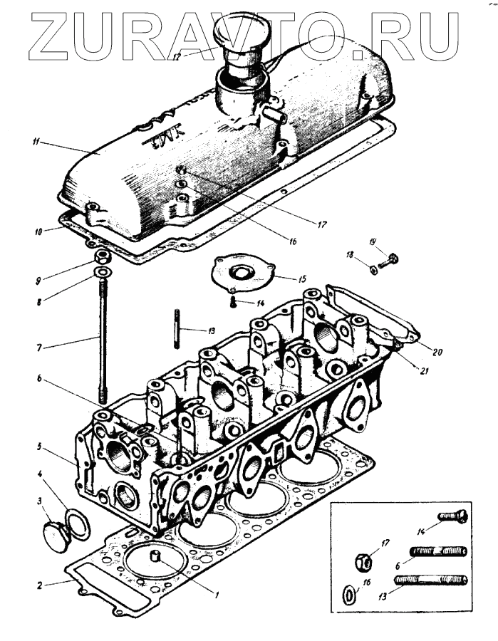
| 412-1003010 | 412-1003010 | Головка блока цилиндров с распределительным валом, клапанами и пружинами в сборе | Нет в продаже |
|
| 412-1003012 | 412-1003012 | Головка блока цилиндров с седлами и направляющими втулками в сборе | Нет в продаже |
|
| 1 | 361981-П | Штифт трубчатый, установочный | Нет в продаже |
|
| 2 | 412-1003020 | Прокладка головки блока цилиндров | Нет в продаже |
|
| 3 | 367105-П29 | Заглушка (резьбовая) | Нет в продаже |
|
| 4 | 365154-П | Шайба специальная, плоская, уплотнительная | Нет в продаже |
|
| 5 | 412-1003015 | Головка блока цилиндров | Нет в продаже |
|
| 6 | 363077-П29 | Шпилька крепления крышки клапанного механизма к головке блока цилиндров | Нет в продаже |
|
| 7 | 412-1003016 | Шпилька крепления головки блока цилиндров | Нет в продаже |
|
| 8 | 365153-П | Шайба специальная, плоская | Нет в продаже |
|
| 9 | 362042-П | Гайка крепления головки блока цилиндров | Нет в продаже |
|
| 10 | 412-1003270 | Прокладка крышки клапанного механизма головки блока | Нет в продаже |
|
| 11 | 412-1003264 | Крышка клапанного механизма головки блока цилиндров | Нет в продаже |
|
| 12 | 412-1003145 | Пробка маслоналивного патрубка с фильтром вентиляции картера в сборе | Нет в продаже |
|
| 13 | 363078-П29 | Шпилька крепления крышки клапанного механизма к головке блока цилиндров | Нет в продаже |
|
| 14 | 224598-П29 | Винт крепления маслоотражательной пластины | Нет в продаже |
|
| 15 | 412-1003265 | Пластина крышки | Нет в продаже |
|
| 16 | 252004-П29 | Шайба | Нет в продаже |
|
| 17 | 250508-П29 | Гайка | Нет в продаже |
|
| 18 | 252004-П29 | Шайба | Нет в продаже |
|
| 19 | 201422-П29 | Болт крепления крышки водяного канала | Нет в продаже |
|
| 20 | 412-1003302 | Крышка головки задняя | Нет в продаже |
|
| 21 | 412-10033-03 | Прокладка задней крышки головки блока | Нет в продаже |
|
1
2
3
4
5
6
6
7
8
9
10
11
12
13
13
14
14
15
16
16
17
17
18
19
20
21
Содержащиеся в справочниках-каталогах запасные части и детали носят исключительно информационный характер