Оригинальные каталоги
| № | Номер | Наименование | Цена | |
|---|---|---|---|---|
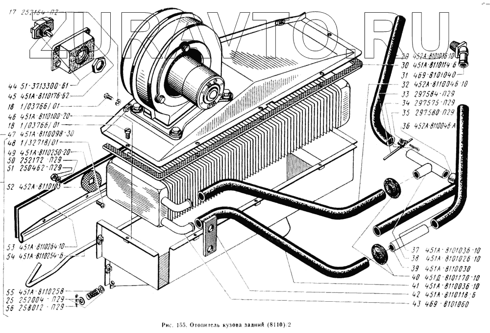
| 29 | 452А-8101036-10 | Шланг впускной короткий | Нет в продаже |
|
| 30 | 451А-8110114-Б | Прокладка крышки | Нет в продаже |
|
| 31 | 469-8101040 | Штуцер отопителя | Нет в продаже |
|
| 32 | 452А-8110046-10 | Шланг впускной длинный | Нет в продаже |
|
| 33 | 297584-П29 | Лента стяжная | Нет в продаже |
|
| 34 | 297575-П29 | Шплинт | Нет в продаже |
|
| 35 | 297580-П29 | Пряжка | Нет в продаже |
|
| 36 | 452А-8110046-А | Шланг отопителя впускной | Нет в продаже |
|
| 37 | 451А-8101036-10 | Шланг выпускной короткий | Нет в продаже |
|
| 38 | 451А-8101026-10 | Труба впускная отопителя в сборе | Нет в продаже |
|
| 39 | 451А-8110030 | Труба выпускная отопителя | Нет в продаже |
|
| 40 | 451Д-8101170-10 | Уплотнитель трубы отопителя | Нет в продаже |
|
| 41 | 451А-8110036-10 | Шланг выпускной и впускной средний | Нет в продаже |
|
| 42 | 451А-8110118-Б | Прокладка трубок радиатора | Нет в продаже |
|
| 43 | 469-8101060 | Радиатор в сборе | Нет в продаже |
|
| 44 | 51-3713300-Б1 | Переключатель в сборе | Нет в продаже |
|
| 45 | 451А-8110176-Б2 | Кожух защитный переключателя | Нет в продаже |
|
| 46 | 451А-8110100-20 | Кожух радиатора отопителя в сборе | Нет в продаже |
|
| 47 | 451А-8110098-30 | Кожух радиатора в сборе | Нет в продаже |
|
| 48 | 1/32718/01 | Винт М4х8 | Нет в продаже |
|
| 49 | 451А-8110250-20 | Заслонка кожуха в сборе | Нет в продаже |
|
| 50 | 252172-П29 | Шайба 4 пружинная зубчатая с внутренними зубцами | Нет в продаже |
|
| 51 | 250462-П29 | Гайка М4 | Нет в продаже |
|
| 52 | 452А-8110103 | Уплотнитель патрубка | Нет в продаже |
|
| 53 | 451А-8110264-10 | Уплотнитель заслонки | Нет в продаже |
|
| 54 | 451А-8110254-Б | Ось заслонки кожуха | Нет в продаже |
|
| 55 | 451А-8110258 | Пружина оси заслонки | Нет в продаже |
|
| 56 | 258012-П29 | Шплинт 2х12 | Нет в продаже |
|
29
30
31
32
33
34
35
36
37
38
39
40
41
42
43
44
45
46
47
48
49
50
51
52
53
54
55
56
Содержащиеся в справочниках-каталогах запасные части и детали носят исключительно информационный характер