Оригинальные каталоги
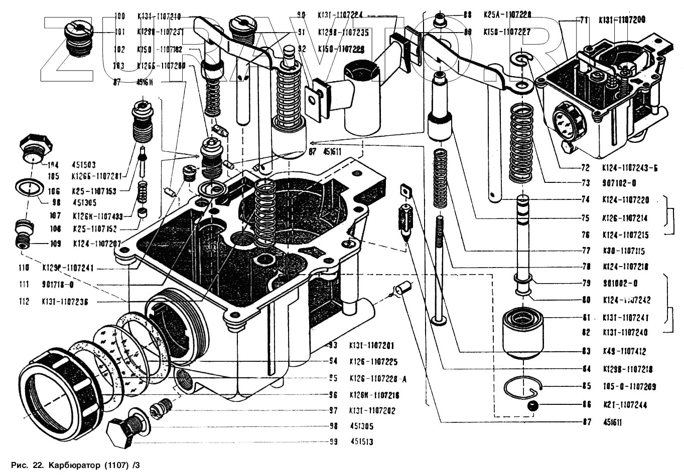
| № | Номер | Наименование | Цена | |
|---|---|---|---|---|
| 10 | К150-1107182 | Винт | Нет в продаже |
|
| 10 | К126Н-1107433 | Пружина клапана экономайзера | Нет в продаже |
|
| 10 | 451503 | Пробка М10х1х7 воздушного жиклера | Нет в продаже |
|
| 10 | К131-1107210 | Привод ускорительного насоса в сборе | Нет в продаже |
|
| 10 | К126Б-1107281 | Корпус клапана экономайзера | Нет в продаже |
|
| 10 | К126Б-1107280 | Клапан экономайзера в сборе | Нет в продаже |
|
| 10 | К125-1107153 | Клапан экономайзера | Нет в продаже |
|
| 10 | К25-1107152 | Замок клапана экономайзера | Нет в продаже |
|
| 10 | К124-1107207 | Жиклер топливный холостого хода | Нет в продаже |
|
| 10 | К129В-1107231 | Жиклер главный воздушный | Нет в продаже |
|
| 11 | К131-1107236 | Пружина штока привода ускорительного насоса | Нет в продаже |
|
| 11 | 901718-0 | Прокладка клапана экономайзера | Нет в продаже |
|
| 11 | К129Р-1107241 | Жиклер воздушный холостого хода | Нет в продаже |
|
| 91 | К129В-1107235 | Жиклер воздушный .главной системы в сборе | Нет в продаже |
|
| 92 | К150-1107229 | Прокладка малого диффузора | Нет в продаже |
|
| 93 | К131-1107201 | Корпус карбюратора | Нет в продаже |
|
| 94 | К126-1107225 | Стекло смотрового окна поплавковой камеры | Нет в продаже |
|
| 95 | К126-1107228-А | Прокладка стекла | Нет в продаже |
|
| 96 | К126Н-1107216 | Гайка смотрового окна | Нет в продаже |
|
| 97 | К131-1107202 | Жиклер главный топливный | Нет в продаже |
|
| 98 | 451305 | Прокладка пробки | Нет в продаже |
|
| 99 | 451513 | Пробка М10х1х7 | Нет в продаже |
|
10
10
10
10
10
10
10
10
10
10
11
11
11
91
92
93
94
95
96
97
98
99
Содержащиеся в справочниках-каталогах запасные части и детали носят исключительно информационный характер