Оригинальные каталоги
| № | Номер | Наименование | Цена | |
|---|---|---|---|---|
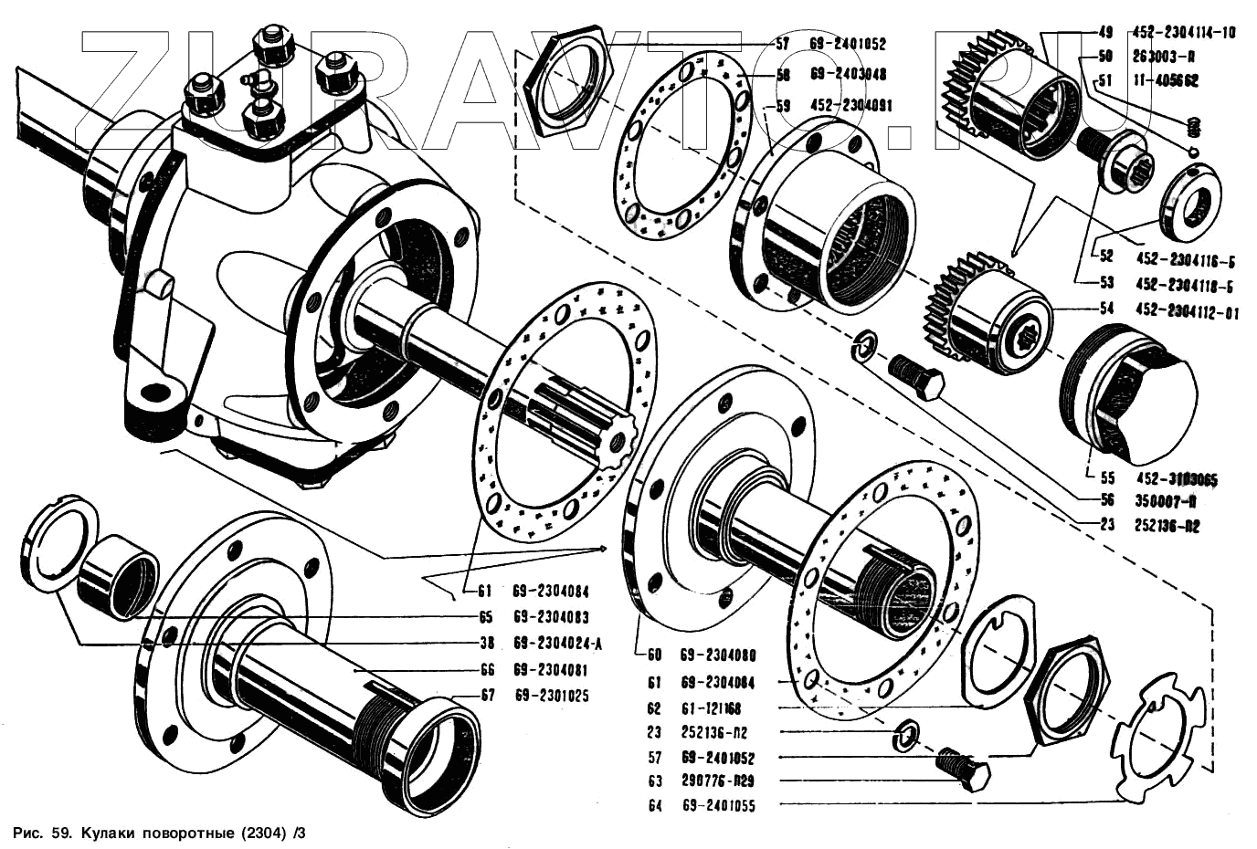
| 53 | 452-2304118-Б | Болт муфты ведущего фланца | Нет в продаже |
|
| 54 | 452-2304112-01 | Муфта ведущего фланца ступицы переднего колеса в сборе | Нет в продаже |
|
| 55 | 452-3103065 | Колпак ступицы переднего колеса | Нет в продаже |
|
| 56 | 350007-П | Болт М10х28 крепления ведущего фланца | Нет в продаже |
|
| 57 | 69-2401052 | Гайка и контргайка подшипников ступицы переднего колеса | Нет в продаже |
|
| 58 | 69-2403048 | Прокладка ведущего фланца ступицы переднего колеса | Нет в продаже |
|
| 59 | 452-2304091 | Фланец ведущей ступицы переднего колеса | Нет в продаже |
|
| 60 | 69-2304080 | Цапфа поворотного кулака переднего моста в сборе | Нет в продаже |
|
| 61 | 69-2304084 | Прокладка поворотного кулака переднего моста | Нет в продаже |
|
| 62 | 61-121168 | Шайба стопорная гаек подшипников ступицы переднего колеса | Нет в продаже |
|
| 63 | 290776-П29 | Болт М10х28 | Нет в продаже |
|
| 64 | 69-2401055 | Шайба замочная гаек подшипников переднего колеса | Нет в продаже |
|
| 65 | 69-2334083 | Втулка цапфы поворотного кулака переднего моста | Нет в продаже |
|
| 66 | 69-2304081 | Цапфа поворотного кулака переднего моста | Нет в продаже |
|
| 67 | 69-2301025 | Кольцо сальника ступицы переднего колеса | Нет в продаже |
|
53
54
55
56
57
58
59
60
61
62
63
64
65
66
67
Содержащиеся в справочниках-каталогах запасные части и детали носят исключительно информационный характер