Оригинальные каталоги
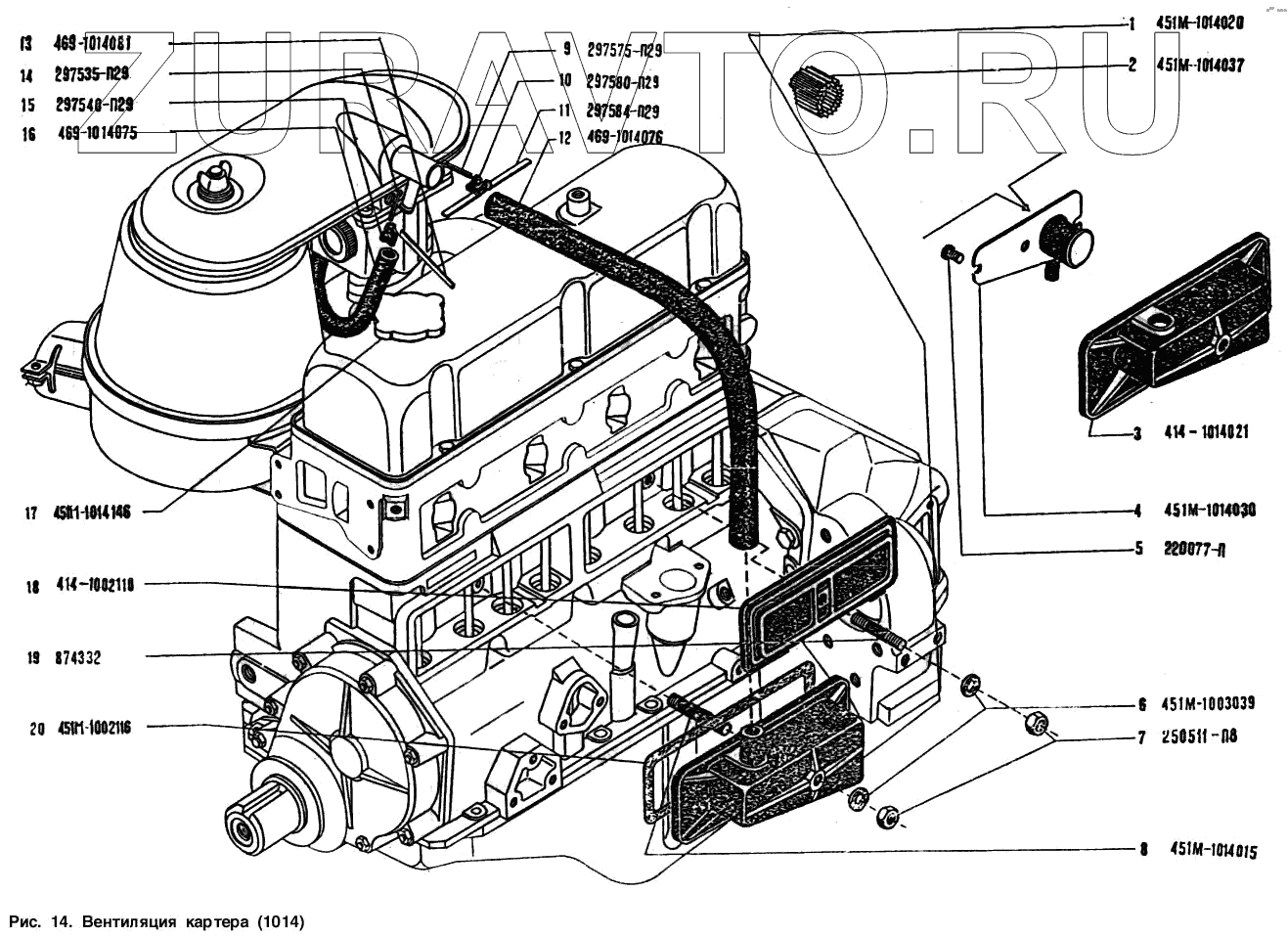
| № | Номер | Наименование | Цена | |
|---|---|---|---|---|
| 1 | 451М-1014020 | Маслоотражатель в сборе | Нет в продаже |
|
| 2 | 451М-1014037 | Фильтрующий элемент | Нет в продаже |
|
| 3 | 414-1014021 | Корпус маслоотражателя | Нет в продаже |
|
| 4 | 451М-1014030 | Пластина маслоотражателя в сборе | Нет в продаже |
|
| 5 | 220077-П | Винт М5х10 | Нет в продаже |
|
| 6 | 451-1003039 | Шайба 8 специальная | Нет в продаже |
|
| 7 | 250511-П8 | Гайка М8 | Нет в продаже |
|
| 8 | 451М-1014015 | Шпилька специальная | Нет в продаже |
|
| 9 | 297575-П29 | Шплинт | Нет в продаже |
|
| 10 | 297580-П29 | Пряжка | Нет в продаже |
|
| 11 | 297584-П29 | Лента стяжная | Нет в продаже |
|
| 12 | 469-1014076 | Шланг вытяжной | Нет в продаже |
|
| 13 | 469-1014081 | Лента стяжная хомута | Нет в продаже |
|
| 14 | 297535-П29 | Шплинт | Нет в продаже |
|
| 15 | 297540-П29 | Пряжка хомута | Нет в продаже |
|
| 16 | 469-1014075 | Шланг соединительный вентиляции картера | Нет в продаже |
|
| 17 | 451М-10141146 | Крышка маслоналивного патрубка | Нет в продаже |
|
| 18 | 414-1002110 | Крышка коробки толкателей | Нет в продаже |
|
| 19 | 874332 | Шпилька М8х1х45 | Нет в продаже |
|
| 20 | 451М-1002116 | Прокладка | Нет в продаже |
|
1
2
3
4
5
6
7
8
9
10
11
12
13
14
15
16
17
18
19
20
Содержащиеся в справочниках-каталогах запасные части и детали носят исключительно информационный характер