Назад

Оригинальные каталоги

zoom-in zoom-out enlarge shrink circle-right circle-left file-text2 info cart
Номер Наименование Цена
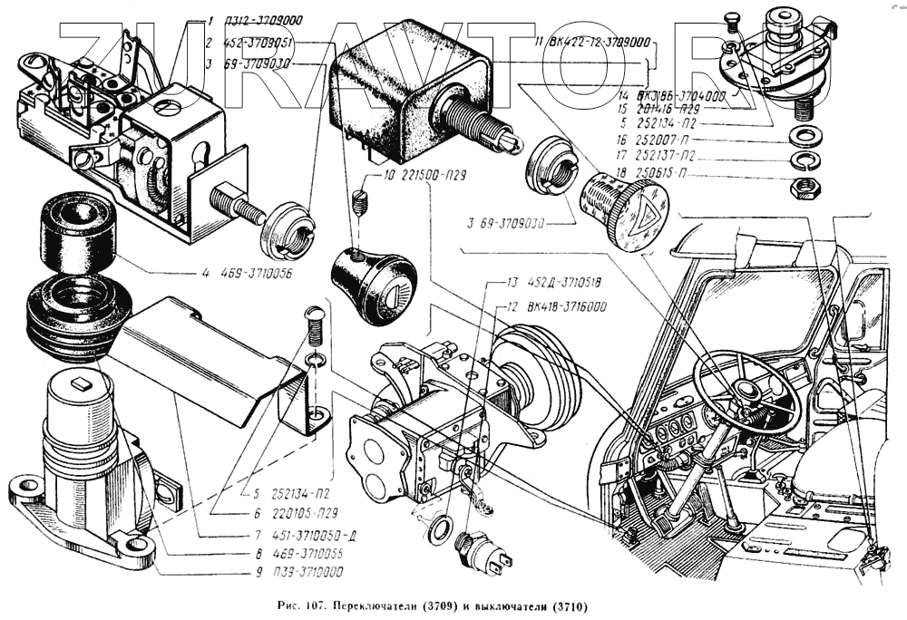
1 П312-3709000 Переключатель света центральный Нет в продаже
2 452-3709051 Ручка тяги центрального переключателя Нет в продаже
3 69-3709030 Гайка крепления переключателя Нет в продаже
4 469-3710056 Колпачок Нет в продаже
5 252134-П2 Шайба 6 пружинная Нет в продаже
6 220105-П29 Винт М6х16 Нет в продаже
7 51-3710050-Д Козырек защитный клемм ножного переключателя света Нет в продаже
8 469-3710055 Муфта Нет в продаже
9 П39-3710000 Переключатель света ножной Нет в продаже
10 221500-П29 Винт М3х5 Нет в продаже
11 ВК422-12-3709000 Выключатель аварийной сигнализации Нет в продаже
12 ВК418-3716000 Выключатель света заднего хода автомобиля в сборе Нет в продаже
13 452Д-3710518 Прокладка выключателя света заднего хода автомобиля Нет в продаже
14 ВК318Б-3704000 Выключатель «массы» Нет в продаже
15 201416-П29 Болт М6х12 Нет в продаже
16 252007-П Шайба 12 Нет в продаже
17 252137-П2 Шайба 12 пружинная Нет в продаже
18 250615-П Гайка М12 Нет в продаже
1
2
3
4
5
6
7
8
9
10
11
12
13
14
15
16
17
18
100%
Содержащиеся в справочниках-каталогах запасные части и детали носят исключительно информационный характер