Оригинальные каталоги
| № | Номер | Наименование | Цена | |
|---|---|---|---|---|
| 8Х-1532 | 8Х-1532 | Гайка | Нет в продаже |
|
| ИЛ-20-1485 | ИЛ-20-1485 | Корпус распределителя в сборе | Нет в продаже |
|
| ИЛ-10-1464 | ИЛ-10-1464 | Прерыватель в сборе | Нет в продаже |
|
| ИЛ-4580 | ИЛ-4580 | Распределитель в сборе | Нет в продаже |
|
| 8Х-1497 | 8Х-1497 | Шайба | Нет в продаже |
|
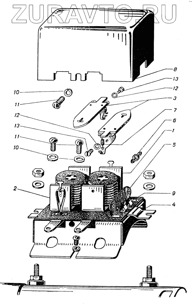
| 1 | Р3-75-06 | Ярмо с катушкой в сборе | Нет в продаже |
|
| 2 | 2-ЦБ-2104-Б | Ярмо с катушкой в сборе | Нет в продаже |
|
| 3 | 1-ЦБ-1110 | Якорь в сборе | Нет в продаже |
|
| 4 | Р3-58-23 | Основание в сборе | Нет в продаже |
|
| 5 | Р3-53-68 | Сопротивление в сборе | Нет в продаже |
|
| 6 | Р3-32-26 | Капсуль-предохранитель в сборе | Нет в продаже |
|
| 7 | 1-ЦБ-123 | Пружина якоря | Нет в продаже |
|
| 8 | Р 3-7.5-09 | Кожух | Нет в продаже |
|
| 9 | Р3-26-31 | Скоба предохранителя | Нет в продаже |
|
| 10 | Х-4001 | Шайба пружинная | Нет в продаже |
|
| 11 | 8Х-1544 | Винт | Нет в продаже |
|
| 12 | МИ-41079 | Шайба гровера | Нет в продаже |
|
| 13 | 8Х-4036 | Винт | Нет в продаже |
|
1
2
3
4
5
6
7
8
9
10
10
11
11
12
12
13
13
Содержащиеся в справочниках-каталогах запасные части и детали носят исключительно информационный характер