Оригинальные каталоги
| № | Номер | Наименование | Цена | |
|---|---|---|---|---|
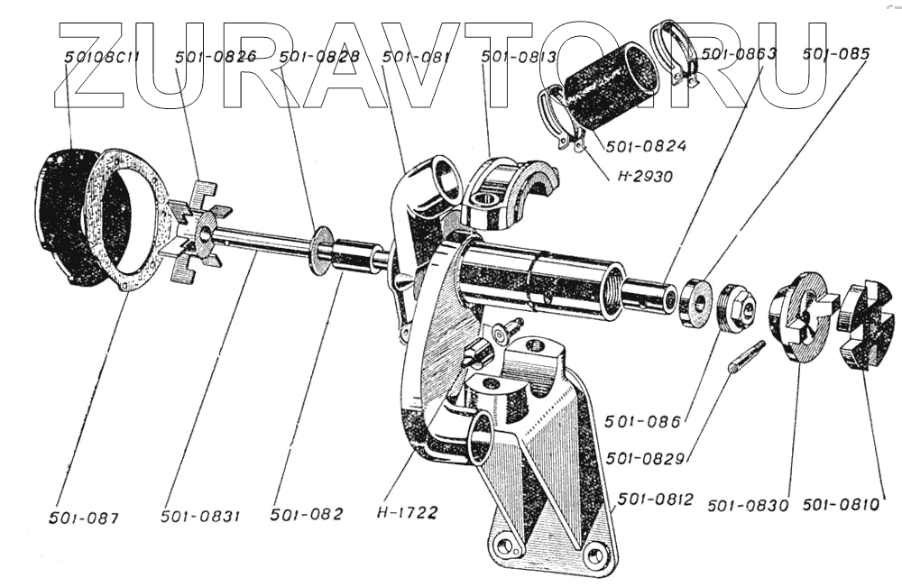
| 501-0831 | 501-0831 | Валик водяного насоса | Нет в продаже |
|
| 501-08С2 | 501-08С2 | Масленка водяного насоса в сборе | Нет в продаже |
|
| 501-08С4 | 501-08С4 | Масляный радиатор в сборе | Нет в продаже |
|
| 501-0844 | 501-0844 | Ниппель концевой | Нет в продаже |
|
| 501-087 | 501-087 | Прокладка крышки водяного насоса | Нет в продаже |
|
| 501-0826 | 501-0826 | Ротор водяного насоса | Нет в продаже |
|
| 501-0810 | 501-0810 | Сухарь муфты привода водяного насоса | Нет в продаже |
|
| 501-085 | 501-085 | Уплотнительное кольцо сальника водяного насоса | Нет в продаже |
|
| 501-0830 | 501-0830 | Фланец муфты водяного насоса | Нет в продаже |
|
| Н-2930 | Н-2930 | Хомут | Нет в продаже |
|
| 501-0828 | 501-0828 | Шайба упорная ротора водяного насоса | Нет в продаже |
|
| 501-0813 | 501-0813 | Крышка кронштейна водяного насоса | Нет в продаже |
|
| 501-08С11 | 501-08С11 | Крышка корпуса водяного насоса в сборе | Нет в продаже |
|
| 501-0855 | 501-0855 | Крышка корпуса водяного насоса | Нет в продаже |
|
| 501-08С7 | 501-08С7 | Валик водяного насоса с ротором в сборе | Нет в продаже |
|
| 501-08С1 | 501-08С1 | Водяной насос в сборе | Нет в продаже |
|
| 501-082 | 501-082 | Втулка водяного насоса | Нет в продаже |
|
| 501-0863 | 501-0863 | Втулка к водяному насосу | Нет в продаже |
|
| 501-086 | 501-086 | Гайка сальника водяного насоса | Нет в продаже |
|
| 501-0829 | 501-0829 | Клин муфты водяного насоса | Нет в продаже |
|
| 501-0856 | 501-0856 | Колпак крышки корпуса водяного насоса | Нет в продаже |
|
| 501-081 | 501-081 | Корпус водяного насоса | Нет в продаже |
|
| 501-08С6 | 501-08С6 | Корпус водяного насоса со втулками в сборе | Нет в продаже |
|
| 501-0812 | 501-0812 | Кронштейн водяного насоса | Нет в продаже |
|
| 501-0824 | 501-0824 | Шланг к масляному радиатору | Нет в продаже |
|
501-0831
501-087
501-0826
501-0810
501-085
501-0830
Н-2930
501-0828
501-0813
501-08С11
501-082
501-0863
501-086
501-0829
501-081
501-0812
501-0824
Содержащиеся в справочниках-каталогах запасные части и детали носят исключительно информационный характер