Назад

Оригинальные каталоги

zoom-in zoom-out enlarge shrink circle-right circle-left file-text2 info cart
Номер Наименование Цена
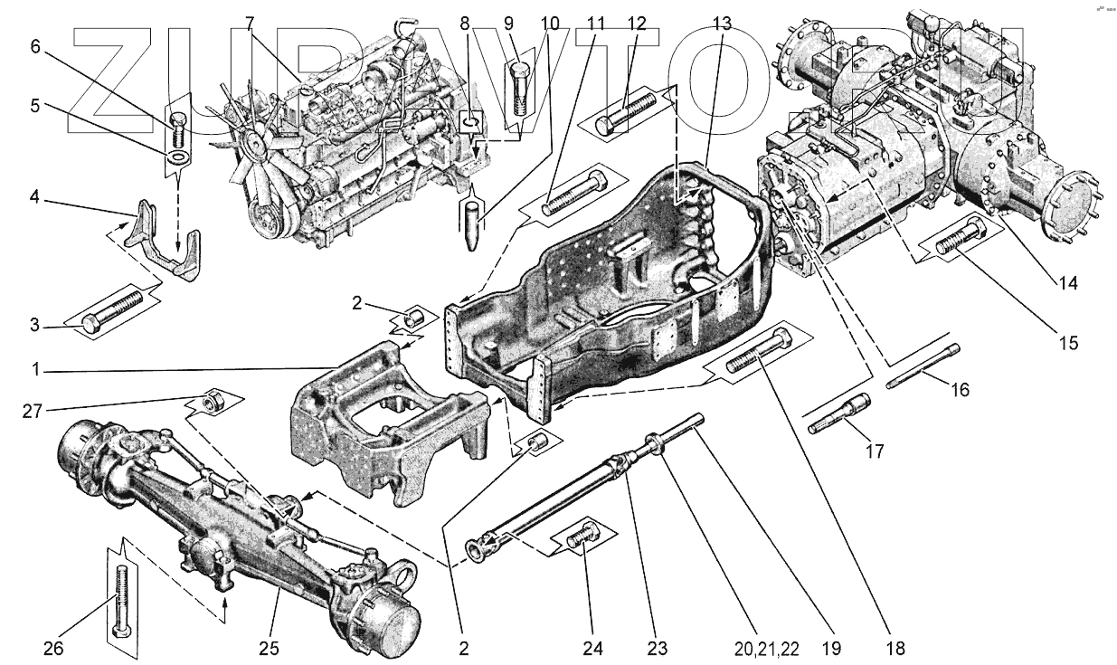
1 10001115 Рама Нет в продаже
2 10001584 Втулка Нет в продаже
3 10001930 Болт Нет в продаже
4 10001836 Кронштейн Нет в продаже
5 10002803 Шайба Нет в продаже
6 10005571 Болт Нет в продаже
7 10001065 Двигатель Нет в продаже
8 10001714 Кольцо стопорное Нет в продаже
9 10003877 Болт Нет в продаже
10 10002012 Штифт Нет в продаже
11 10004511 Болт Нет в продаже
12 10004512 Болт Нет в продаже
13 10001114 Полурама Нет в продаже
14 10001339 Трансмиссия Нет в продаже
15 10002736 Болт Нет в продаже
16 10001250 Вал ведущий Нет в продаже
17 10001249 Полый вал Нет в продаже
18 10004512 Болт Нет в продаже
19 10001248 Вал Нет в продаже
20 10001583 Подшипник Нет в продаже
21 10001865 Крышка Нет в продаже
22 10001586 Кольцо стопорное Нет в продаже
23 10001113 Карданный вал Нет в продаже
24 10002091 Болт Нет в продаже
25 10002244 Мост передний Нет в продаже
26 10004994 Болт Нет в продаже
27 10002804 Гайка Нет в продаже
1
2
2
3
4
5
6
7
8
9
10
11
12
13
14
15
16
17
18
19
20
21
22
23
24
25
26
27
100%
Содержащиеся в справочниках-каталогах запасные части и детали носят исключительно информационный характер