Оригинальные каталоги
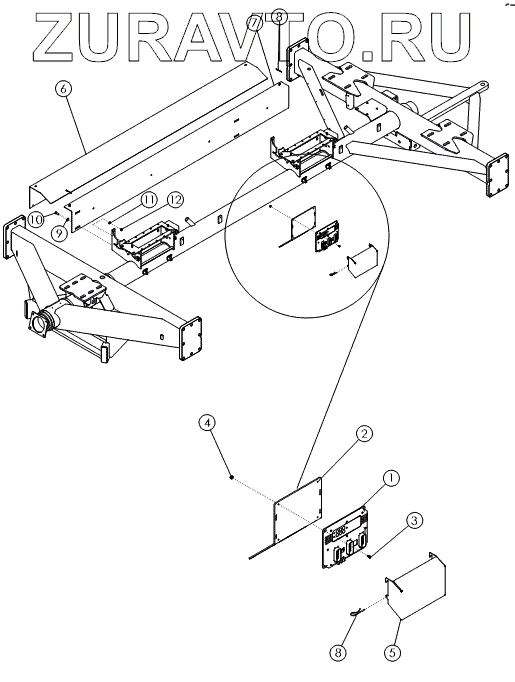
| № | Номер | Наименование | Цена | |
|---|---|---|---|---|
| 1 | 330339 | ECU-D3 ISO CONTROLLER | Нет в продаже |
|
| 2 | 67219 | PLATE-ECU MOUNT | Нет в продаже |
|
| 3 | 1013462 | SCREW | Нет в продаже |
|
| 4 | 1026591 | NUT-K-LOCK: №10-24NC GR2 ZP | Нет в продаже |
|
| 5 | 67249 | COVER-ECU MOUNT | Нет в продаже |
|
| 6 | 65452 | COVER-HOSE MOUNT | Нет в продаже |
|
| 7 | 66006 | WLDMT-SHIELD BOX | Нет в продаже |
|
| 8 | 1012901 | PIN-HAIR: .13 X 2.50 ZP | Нет в продаже |
|
| 9 | 1011828 | Шайба | Нет в продаже |
|
| 10 | 1011600 | BOLT-HEX: .38 X 1.00 NC GR5 ZP | Нет в продаже |
|
| 11 | 1011586 | WASHER-LOCK: .38 ZP | Нет в продаже |
|
| 12 | 1011576 | NUT-HEX: .38 NC GR2 ZP | Нет в продаже |
|
| 13 | 67088 | TANK HARNESS | Нет в продаже |
|
| 14 | 67492 | HARNESS-ISO TANK COMPONENT SHORT | Нет в продаже |
|
| 15 | 67514 | 1/4 WIRE MOUNT | Нет в продаже |
|
| 16 | 67515 | 3/8 WIRE MOUNT WITH INSERT | Нет в продаже |
|
| 17 | 66585 | CLIP-WIRE HARNESS PURSE LOCK WHITE | Нет в продаже |
|
| 18 | 67519 | TERMINATING SEAL PLUG | Нет в продаже |
|
| 19 | 1012901 | PIN-HAIR: .13 X 2.50 ZP | Нет в продаже |
|
1
2
3
4
5
6
7
8
8
9
10
11
12
Содержащиеся в справочниках-каталогах запасные части и детали носят исключительно информационный характер