Оригинальные каталоги
| № | Номер | Наименование | Цена | |
|---|---|---|---|---|
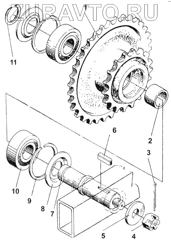
| СПС-08480 | СПС-08480 | Блок звездочек Цепь ПР-25,4-6000А ГОСТ 13568-75 | Нет в продаже |
|
| 1 | СПС-18100-02 | Блок сварной | Нет в продаже |
|
| 2 | КТ-70809-07 | Втулка | Нет в продаже |
|
| 3 | Шплинт 4х36.019 ГОСТ 397-79 | Шплинт 4х36.019 ГОСТ 397-79 | Нет в продаже |
|
| 4 | Гайка М20-6Н.6.019 ГОСТ 5919-73 | Гайка М20-6Н.6.019 ГОСТ 5919-73 | Нет в продаже |
|
| 5 | КТ-4147-А | Шайба специальная | Нет в продаже |
|
| 6 | Шпонка 8х7х25 ГОСТ 23360-78 | Шпонка 8х7х25 ГОСТ 23360-78 | Нет в продаже |
|
| 7 | СПС-08647 | Ось | Нет в продаже |
|
| 8 | КТ-03403 | Шайба защитная | Нет в продаже |
|
| 9 | Кольцо 2С72 ГОСТ 13941-86 | Кольцо 2С72 ГОСТ 13941-86 | Нет в продаже |
|
| 10 | Подшипник 180207 С17 ГОСТ 8882-75 | Подшипник 180207 С17 ГОСТ 8882-75 | Нет в продаже |
|
| 11 | Кольцо 2С35 ГОСТ 13940-86 | Кольцо 2С35 ГОСТ 13940-86 | Нет в продаже |
|
1
2
3
4
5
6
7
8
9
10
11
Содержащиеся в справочниках-каталогах запасные части и детали носят исключительно информационный характер