Оригинальные каталоги
| № | Номер | Наименование | Цена | |
|---|---|---|---|---|
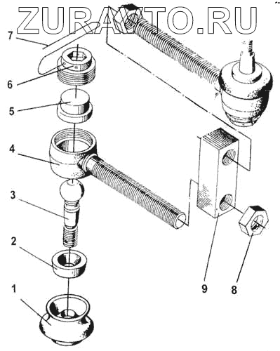
| СПС-14110 | СПС-14110 | Тяга | Нет в продаже |
|
| 1 | А35.32.005 | Чехол уплотнительный | Нет в продаже |
|
| 2 | А35.32.004 | Вкладыш | Нет в продаже |
|
| 3 | А35.32.002 | Палец шаровой | Нет в продаже |
|
| 4 | А35.32.001 | Корпус шарнира | Нет в продаже |
|
| 5 | А35.32.003 | Вкладыш | Нет в продаже |
|
| 6 | А35.32.006 | Пробка | Нет в продаже |
|
| 7 | Проволока 2,0х270 ГОСТ 3282-74 | Проволока 2,0х270 ГОСТ 3282-74 | Нет в продаже |
|
| 8 | 70-3003024 | Контргайка | Нет в продаже |
|
| 9 | СПС-14924 | Кронштейн | Нет в продаже |
|
1
2
3
4
5
6
7
8
9
Содержащиеся в справочниках-каталогах запасные части и детали носят исключительно информационный характер