Оригинальные каталоги
| № | Номер | Наименование | Цена | |
|---|---|---|---|---|
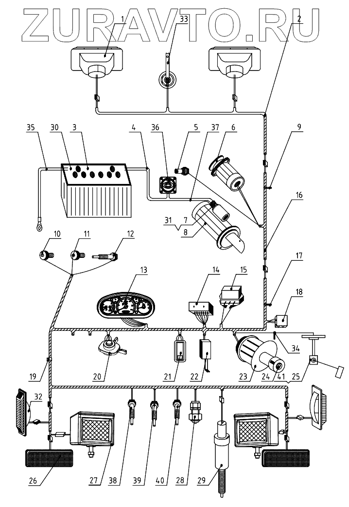
| 1 | 304G2-6.48.102-1 | Head lamp | Нет в продаже |
|
| 2 | 254G2.48G.011 | Front wiring harness | Нет в продаже |
|
| 3 | 6-QW-80L | Battery | Нет в продаже |
|
| 4 | 304G2-6E.48.016 | Cable between Battery anode and electrical source switch | Нет в продаже |
|
| 5 | 254G2.48G.022 | Water temperature sensor | Нет в продаже |
|
| 6 | Generator | To Generator | Нет в продаже |
|
| 7 | 250D.48.101 | Cable splice jacket | Нет в продаже |
|
| 8 | Starting motor | Starting motor | Нет в продаже |
|
| 9 | ZD300x8 | Clingulum | Нет в продаже |
|
| 10 | 254G2.48G.024 | Rotation speed senser (M18x1.5) | Нет в продаже |
|
| 11 | 254G2.48G.023 | Oil pressure sensor | Нет в продаже |
|
| 12 | 10-12-55 | Pre-heating plug | Нет в продаже |
|
| 13 | 304G2-6E.48.020 | Combination meter | Нет в продаже |
|
| 14 | 304G2-6.48.104 | Fuse box expert for G2 | Нет в продаже |
|
| 15 | FT111 | Voltage ragulater | Нет в продаже |
|
| 16 | 304G2-6.48.012-1 | Main wiring harness | Нет в продаже |
|
| 17 | ZD150x8 | Clingulum | Нет в продаже |
|
| 18 | 404-9.48.020 | Electrucity stop (Thailand) | Нет в продаже |
|
| 19 | 200.48B.108 | Wire clip | Нет в продаже |
|
| 20 | 304G2-6.48.103 | Multi-function switch | Нет в продаже |
|
| 21 | JK911 | Caution light switch | Нет в продаже |
|
| 22 | SG152 | Flasher | Нет в продаже |
|
| 23 | 304G2-6E.48.101 | Starting scutcheon | Нет в продаже |
|
| 24 | JK406B | Pre-heating starting switch | Нет в продаже |
|
| 25 | 304G2-6.48.101 | Oil level sensor | Нет в продаже |
|
| 26 | 254G2.48G.019 | Combination rear signal lamp | Нет в продаже |
|
| 27 | 304G2-6.48.018 | Rear work lamp | Нет в продаже |
|
| 28 | JB1041 | Security switch | Нет в продаже |
|
| 29 | JK231B | Brakelight switch | Нет в продаже |
|
| 30 | CX-1 | Jacket | Нет в продаже |
|
| 31 | 1912 | Starting relay | Нет в продаже |
|
| 32 | 254G2.48G.018 | Steering lamp | Нет в продаже |
|
| 33 | 254G2.48G.025 | Electrucity horn | Нет в продаже |
|
| 34 | AG-057 | Wire clip | Нет в продаже |
|
| 35 | 304G2-6E.48.017 | Battery cathode cable | Нет в продаже |
|
| 36 | 254G3.48.019 | Electrical source switch | Нет в продаже |
|
| 37 | 304G2-6E.48.015 | Cable between Start and electrical source switch | Нет в продаже |
|
| 38 | KD105 | Switch for PTO shaft speed of 540 rpm | Нет в продаже |
|
| 39 | KD105 | Switch for PTO shaft speed of 540 rpm | Нет в продаже |
|
| 40 | KD105 | Switch for PTO shaft speed of 540 rpm | Нет в продаже |
|
| 41 | 304G2-6E.48.102 | Oil level sensor | Нет в продаже |
|
1
2
3
4
5
6
7
8
9
10
11
12
13
14
15
16
17
18
19
20
21
22
23
24
25
26
27
28
29
30
31
32
33
34
35
36
37
38
39
40
41
Содержащиеся в справочниках-каталогах запасные части и детали носят исключительно информационный характер