Оригинальные каталоги
| № | Номер | Наименование | Цена | |
|---|---|---|---|---|
| 4032 80016 7 | 4032 80016 7 | Шпилька | Нет в продаже |
|
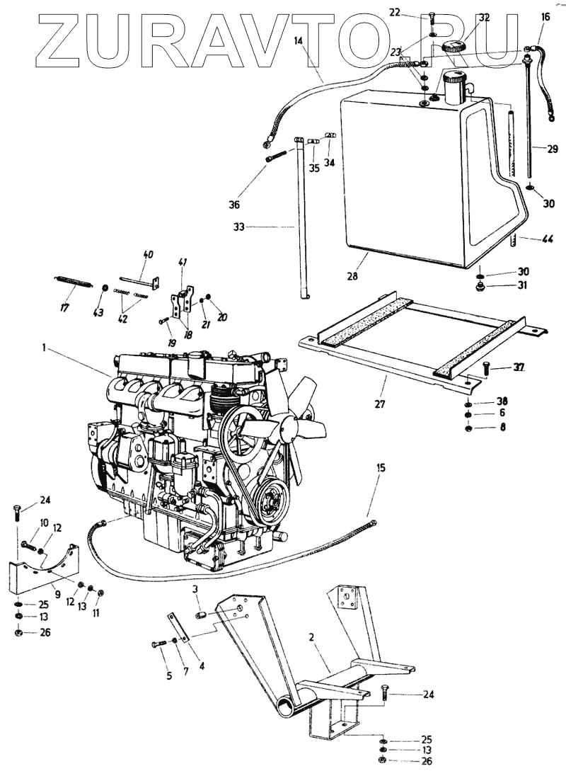
| 1 | Двигатель 6VD14.5/12-2 SRW | Двигатель 6VD14.5/12-2 SRW | Нет в продаже |
|
| 2 | 4032 80078 6 | Рама двигателя | Нет в продаже |
|
| 3 | 4032 80072 0 | Болт под развертку | Нет в продаже |
|
| 4 | 4032 80073 7 | Плита | Нет в продаже |
|
| 5 | 9932 93123 7 | Болт шестигранный | Нет в продаже |
|
| 6 | 9961 91120 4 | Кольцо пружинное | Нет в продаже |
|
| 7 | 9961 91108 5 | Кольцо пружинное | Нет в продаже |
|
| 8 | 9950 89640 7 | Шестигранная гайка М12 | Нет в продаже |
|
| 9 | 4032 80060 8 | Консоль | Нет в продаже |
|
| 10 | 9934 95927 0 | Болт с шестигранной головкой М16х1,5х70 | Нет в продаже |
|
| 11 | 9950 89739 3 | Шестигранная гайка М16х1,5 | Нет в продаже |
|
| 12 | 4032 80061 6 | Шайба | Нет в продаже |
|
| 13 | 9961 91146 2 | Кольцо пружинное | Нет в продаже |
|
| 14 | 9908 95112 8 | Шланг АС8х500 | Нет в продаже |
|
| 15 | 9908 95129 8 | Шлангопровод АА4х4000 | Нет в продаже |
|
| 16 | 9908 97032 3 | Шлангопровод АС8х400 | Нет в продаже |
|
| 17 | 9974 88238 8 | Пружина растяжения А1,6х18х60 | Нет в продаже |
|
| 18 | 4032 81211 3 | Приемное устройство | Нет в продаже |
|
| 19 | 9933 92937 0 | Болт шестигранный | Нет в продаже |
|
| 20 | 9950 89571 1 | Гайка шестигранная | Нет в продаже |
|
| 21 | 9961 91084 7 | Кольцо пружинное | Нет в продаже |
|
| 22 | 9946 92761 2 | Пустотелый винт А10 | Нет в продаже |
|
| 23 | 9970 90839 4 | Уплотнительное кольцо А14х20 | Нет в продаже |
|
| 24 | 9933 93311 7 | Болт шестигранный | Нет в продаже |
|
| 25 | 9965 92247 8 | Шайба 18х50х8 | Нет в продаже |
|
| 26 | 9950 89684 1 | Гайка шестигранная | Нет в продаже |
|
| 27 | 4032 80388 5 | Каркас | Нет в продаже |
|
| 28 | 4031 83200 5 | Топливный бак | Нет в продаже |
|
| 29 | 4032 81118 5 | Впускной патрубок | Нет в продаже |
|
| 30 | 9970 90870 6 | Уплотнительное кольцо А18х22 | Нет в продаже |
|
| 31 | 9946 93746 2 | Запорный болт М18х1,5 | Нет в продаже |
|
| 32 | 9910 86976 6 | Крышка Е60 | Нет в продаже |
|
| 33 | 4032 80015 0 | Стяжная лента | Нет в продаже |
|
| 34 | 4032 80032 7 | Стяжная лента, сзади | Нет в продаже |
|
| 35 | 4032 80017 5 | Палец | Нет в продаже |
|
| 36 | 9936 93841 6 | Болт с цилиндрической головкой ВМ8х60 | Нет в продаже |
|
| 37 | 9933 93191 0 | Болт шестигранный | Нет в продаже |
|
| 38 | 9961 92208 8 | Шайба | Нет в продаже |
|
| 40 | 4032 81212 1 | Тяга, в сборе | Нет в продаже |
|
| 41 | 4032 81213 8 | Ниппель | Нет в продаже |
|
| 42 | Пружина сжатия В1,4х10х17,5 | Пружина сжатия В1,4х10х17,5 | Нет в продаже |
|
| 43 | 9960 92155 3 | Шайба | Нет в продаже |
|
| 44 | 4031 83201 3 | Шланг для выпуска воздуха | Нет в продаже |
|
1
2
3
4
5
6
7
8
9
10
11
12
12
13
13
13
14
15
16
17
18
19
20
21
22
23
24
24
25
25
26
26
27
28
29
30
30
31
32
33
34
35
36
37
38
40
41
42
43
44
Содержащиеся в справочниках-каталогах запасные части и детали носят исключительно информационный характер