Оригинальные каталоги
| № | Номер | Наименование | Цена | |
|---|---|---|---|---|
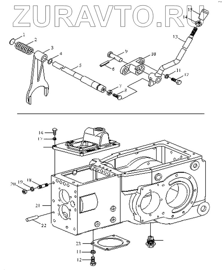
| 1 | FT250.37.232 | shim | Нет в продаже |
|
| 2 | FT250.37.263 | spring of differential lock | Нет в продаже |
|
| 3 | FT250.37.262 | shifting fork of differential lock | Нет в продаже |
|
| 4 | GB3452.1 | O-seal ring | Нет в продаже |
|
| 5 | FT250.37.267 | shifting fork shaft of differential lock | Нет в продаже |
|
| 6 | GB/T879 | Spring type straight | Нет в продаже |
|
| 7 | GB/T6172 | Гайка M10 | Нет в продаже |
|
| 8 | FT250.37.323 | ball bolt | Нет в продаже |
|
| 9 | FT250.37.322 | clevis pin with head B10x45 | Нет в продаже |
|
| 10 | FT250.37.320 | fixed seat | Нет в продаже |
|
| 11 | GB/T93 | Шайба 12 | Нет в продаже |
|
| 12 | GB/T5783 | Болт M12x35 | Нет в продаже |
|
| 13 | FT250.37.050 | handle weldment of differential lock | Нет в продаже |
|
| 14 | GB/T6170 | Гайка М6 | Нет в продаже |
|
| 15 | FT250.41.011 | control handle of power output | Нет в продаже |
|
| 16 | GB/T5783 | Болт M12x35 | Нет в продаже |
|
| 17 | GB/T93 | Шайба 12 | Нет в продаже |
|
| 18 | GB/T898 | Double end stud GM12-M12x1.25x40-8.8-A2L | Нет в продаже |
|
| 19 | GB/T93 | Шайба 12 | Нет в продаже |
|
| 20 | GB/T6171 | Гайка М20х1.5 | Нет в продаже |
|
| 21 | FT250.37.101 | gearbox case | Нет в продаже |
|
| 22 | GB/T119.1 | Parallel pin | Нет в продаже |
|
| 23 | FT250.37.237 | auxiliary box cover | Нет в продаже |
|
| 24 | FT65.38.026 | Oil plug | Нет в продаже |
|
1
2
3
4
5
6
7
8
9
10
11
11
12
12
13
14
15
16
17
18
19
20
21
22
23
24
Содержащиеся в справочниках-каталогах запасные части и детали носят исключительно информационный характер