Оригинальные каталоги
| № | Номер | Наименование | Цена | |
|---|---|---|---|---|
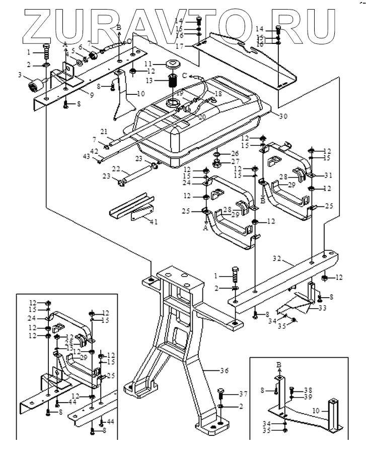
| FT700.50A.212 | FT700.50A.212 | Main auxiliary fuel tank link pipe | Нет в продаже |
|
| 1 | GB/T 5783 | Bolt | Нет в продаже |
|
| 2 | GB/T 93 | Washer | Нет в продаже |
|
| 3 | FT65.50.016 | Breather assembly | Нет в продаже |
|
| 4 | GB/T 97.1 | Washer | Нет в продаже |
|
| 5 | GB/T 93 | Washer | Нет в продаже |
|
| 6 | GB/T 6170 | Nut | Нет в продаже |
|
| 7 | QC/T 621 | Clamp | Нет в продаже |
|
| 8 | GB/T 5783 | Bolt | Нет в продаже |
|
| 9 | FT65.50.026a | Left bracket weldment | Нет в продаже |
|
| 9 | FT700.50A.026 | Left bracket weldment | Нет в продаже |
|
| 9 | FT700.50G.026 | Left bracket weldment | Нет в продаже |
|
| 9 | FT600B.50B.026 | Left bracket weldment | Нет в продаже |
|
| 10 | FT700.50K.024 | Left front bracket weldment, auxiliary fuel tank | Нет в продаже |
|
| 10 | FT700.50G.024 | Left front bracket weldment, auxiliary fuel tank | Нет в продаже |
|
| 10 | FT700.50D.024 | Left front bracket weldment, auxiliary fuel tank | Нет в продаже |
|
| 10 | FT700.50A.024 | Left front bracket weldment, auxiliary fuel tank | Нет в продаже |
|
| 10 | FT650.50.024 | Left front bracket weldment, auxiliary fuel tank | Нет в продаже |
|
| 11 | FT65.50.022 | Oil filler cap assembly | Нет в продаже |
|
| 12 | GB/T 6170 | Nut | Нет в продаже |
|
| 13 | FT65.50.023 | Filter screen assembly | Нет в продаже |
|
| 14 | GB/T 5783 | Bolt | Нет в продаже |
|
| 15 | GB/T 93 | Washer | Нет в продаже |
|
| 16 | GB/T 97.1 | Washer | Нет в продаже |
|
| 17 | FT700.50A.210 | Bracket for helmet lock | Нет в продаже |
|
| 17 | FT65.50.210 | Bracket for helmet lock | Нет в продаже |
|
| 18 | FT65.50.203a | Breather pipe | Нет в продаже |
|
| 19 | FT65.50.205a | Three-way pipe | Нет в продаже |
|
| 20 | JB/T 982-1977 | Washer | Нет в продаже |
|
| 21 | FT65.50.202a | Exhaust pipe | Нет в продаже |
|
| 22 | FT65.50.212a | Oil supply hose | Нет в продаже |
|
| 22 | FT700.50G.212 | Oil supply hose | Нет в продаже |
|
| 23 | ZBJ15001 | Clamp | Нет в продаже |
|
| 24 | FT65.50.201 | Rear binding strip,auxiliary fuel tank | Нет в продаже |
|
| 25 | FT65.50.208 | Support plate of auxiliary fuel tank | Нет в продаже |
|
| 25 | FT700.50G.251 | Support plate of auxiliary fuel tank | Нет в продаже |
|
| 26 | JB/T 982-1977 | Washer | Нет в продаже |
|
| 27 | FT65.50.226 | Plug | Нет в продаже |
|
| 28 | FT65.50.209a | Main fuel tank upper felt strip | Нет в продаже |
|
| 29 | FT65.50.207a | Lower felt strip | Нет в продаже |
|
| 30 | FT700.50G.021 | Auxiliary fuel tank weldment | Нет в продаже |
|
| 30 | FT700.50A.021 | Auxiliary fuel tank weldment | Нет в продаже |
|
| 30 | FT65.50.021b | Auxiliary fuel tank weldment | Нет в продаже |
|
| 31 | FT65.50.028 | Rear binding strip,auxiliary fuel tank | Нет в продаже |
|
| 32 | FT65.50.027a | Right bracket weldment | Нет в продаже |
|
| 32 | FT700.50A.027 | Right bracket weldment | Нет в продаже |
|
| 32 | FT700.50G.027 | Right bracket weldment | Нет в продаже |
|
| 32 | FT600B.50B.027 | Right bracket weldment | Нет в продаже |
|
| 33 | FT700.50K.025 | Right front bracket weldment, auxiliary fuel tank | Нет в продаже |
|
| 33 | FT700.50D.025 | Right front bracket weldment, auxiliary fuel tank | Нет в продаже |
|
| 33 | FT700.50A.025 | Right front bracket weldment, auxiliary fuel tank | Нет в продаже |
|
| 33 | FT700.50.025 | Right front bracket weldment, auxiliary fuel tank | Нет в продаже |
|
| 33 | FT650.50.025 | Right front bracket weldment, auxiliary fuel tank | Нет в продаже |
|
| 34 | GB/T93 | Шайба 12 | Нет в продаже |
|
| 35 | GB/T6170 | Гайка М6 | Нет в продаже |
|
| 36 | FT65.50.204 | Helmet bracket | Нет в продаже |
|
| 36 | FT700.50A.204 | Helmet bracket | Нет в продаже |
|
| 37 | GB/T 5783 | Bolt | Нет в продаже |
|
| 38 | GB/T 5783 | Bolt | Нет в продаже |
|
| 39 | GB/T 97.1 | Washer | Нет в продаже |
|
| 41 | FT650.50.018 | protect | Нет в продаже |
|
| 42 | FT700.50G.121 | return pipe | Нет в продаже |
|
| 43 | QC/T 621 | Clamp | Нет в продаже |
|
| 44 | GB/T 5783 | Bolt | Нет в продаже |
|
1
1
2
2
2
3
4
5
6
7
7
8
8
8
8
8
8
8
9
9
9
9
10
10
10
10
10
10
11
12
12
12
12
12
12
12
12
12
12
12
12
12
12
12
12
12
13
14
14
15
15
15
15
15
15
15
15
15
15
16
16
17
17
18
19
20
21
22
22
23
23
24
24
25
25
25
25
26
27
28
28
28
29
29
29
30
30
30
31
32
32
32
32
33
33
33
33
33
34
34
35
35
36
36
37
38
39
41
42
43
44
44
Содержащиеся в справочниках-каталогах запасные части и детали носят исключительно информационный характер