Оригинальные каталоги
| № | Номер | Наименование | Цена | |
|---|---|---|---|---|
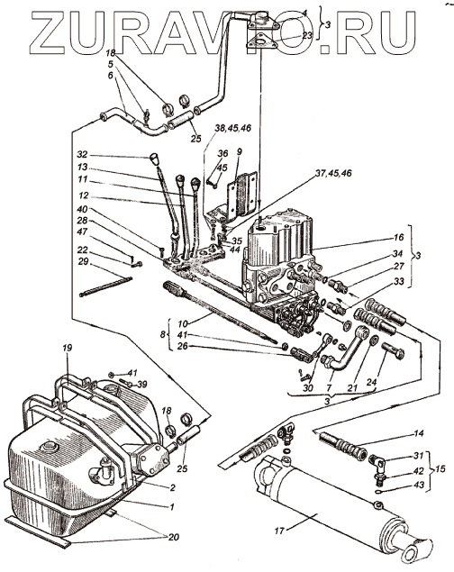
| 151.57.001-3 | 151.57.001-3 | Гидросистема навесного устройства | Нет в продаже |
|
| 1 | 151.57.032-8 | Бак | Нет в продаже |
|
| 2 | 151.57.036-3 | Лента | Нет в продаже |
|
| 3 | 151.57.041-1 | Установка распределителя | Нет в продаже |
|
| 4 | 151.57.043 | Труба | Нет в продаже |
|
| 5 | 151.57.052-2А | Индикатор | Нет в продаже |
|
| 6 | 151.57.057-3 | Труба | Нет в продаже |
|
| 7 | 151.57.078-4 | Труба | Нет в продаже |
|
| 8 | 150.53.020А | Тяга | Нет в продаже |
|
| 9 | 150.53.051А | Кронштейн распределителя | Нет в продаже |
|
| 10 | 150.53.052 | Тяга | Нет в продаже |
|
| 11 | 150.53.054 | Рычаг правый | Нет в продаже |
|
| 12 | 150.53.055 | Рычаг средний | Нет в продаже |
|
| 13 | 150.53.056 | Рычаг левый | Нет в продаже |
|
| 14 | 150.61.020-06 | Рукав | Нет в продаже |
|
| 15 | 151.37.065 | Угольник ввертной в сборе | Нет в продаже |
|
| 16 | Р80-3/1-222Г | Распределитель | Нет в продаже |
|
| 17 | У4564.230В.000-25 | Гидроцилиндр | Нет в продаже |
|
| 18 | ХСВА-35 | Хомут | Нет в продаже |
|
| 19 | 151.57.147-1 | Прокладка верхняя | Нет в продаже |
|
| 20 | 151.57.246 | Прокладка | Нет в продаже |
|
| 21 | 14.54.105 | Шайба | Нет в продаже |
|
| 22 | 54.20.405 | Палец | Нет в продаже |
|
| 23 | 54.53.402 | Прокладка | Нет в продаже |
|
| 24 | 74.54.422 | Болт зажимной | Нет в продаже |
|
| 25 | 125.57.208 | Шланг | Нет в продаже |
|
| 26 | 150.20.278 | Вилка | Нет в продаже |
|
| 27 | 150.53.101 | Штуцер удлиненный | Нет в продаже |
|
| 28 | 150.53.118-1 | Корте | Нет в продаже |
|
| 29 | 150.53.121-1 | Ось | Нет в продаже |
|
| 30 | 150.53.125 | Рычаг | Нет в продаже |
|
| 31 | 151.37.550 | Угольник | Нет в продаже |
|
| 32 | А13.05.000 | Рукоятка управления | Нет в продаже |
|
| 33 | Н036.04.005 | Штуцер | Нет в продаже |
|
| 34 | НШ10-0101034 | Кольцо уплотнительное | Нет в продаже |
|
| 35 | М8х35.7796 | Болт | Нет в продаже |
|
| 36 | М10x20.7796 | Болт | Нет в продаже |
|
| 37 | М10x25.7796 | Болт | Нет в продаже |
|
| 38 | М10x60.7796 | Болт | Нет в продаже |
|
| 39 | М10x657796 | Болт | Нет в продаже |
|
| 40 | М6х8.1477 | Винт | Нет в продаже |
|
| 41 | М10.5915 | Гайка | Нет в продаже |
|
| 42 | М20.5915 | Гайка | Нет в продаже |
|
| 43 | 018-022-25-2-2.9833 | Кольцо | Нет в продаже |
|
| 44 | 865Г.6402 | Шайба | Нет в продаже |
|
| 45 | 1065Г.6402 | Шайба | Нет в продаже |
|
| 46 | 10.04.11371 | Шайба | Нет в продаже |
|
| 47 | 3,2x20.397 | Шплинт | Нет в продаже |
|
151.57.001-3
1
2
3
3
3
4
5
6
7
8
9
10
11
12
13
14
15
16
17
18
18
19
20
21
22
23
24
25
25
26
27
28
29
30
31
32
33
34
35
36
37
38
39
40
41
41
42
43
44
45
45
45
46
46
47
Содержащиеся в справочниках-каталогах запасные части и детали носят исключительно информационный характер