Оригинальные каталоги
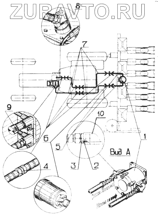
| № | Номер | Наименование | Цена | |
|---|---|---|---|---|
| 1 | Гидромотор шестеренный ГМШ 32-ЗЛ-Г ОСТ 23.1.172 | Гидромотор шестеренный ГМШ 32-ЗЛ-Г ОСТ 23.1.172 | Нет в продаже |
|
| 2 | Кольцо 024-028-25-2-2 ГОСТ 9833/ГОСТ 18829 | Кольцо 024-028-25-2-2 ГОСТ 9833/ГОСТ 18829 | Нет в продаже |
|
| 3 | Н 036.04.014 | Штуцер ввертной | Нет в продаже |
|
| 4 | Н 036.02.005 | Штуцер проходной | Нет в продаже |
|
| 5 | Н-036.85.120 | Рукав высокого давления II-16, армированный | Нет в продаже |
|
| 6 | Н 036.52.000 | Муфта разрывная | Нет в продаже |
|
| 7 | Н-036.85.120 | Рукав высокого давления II-16, армированный | Нет в продаже |
|
| 8 | СУПА.00.1180 | Переходник | Нет в продаже |
|
| 9 | Н 036.04.014 | Штуцер ввертной | Нет в продаже |
|
| 10 | СУПА.00.107 | Муфта угловая | Нет в продаже |
|
1
2
3
4
5
6
7
8
9
10
Содержащиеся в справочниках-каталогах запасные части и детали носят исключительно информационный характер