Оригинальные каталоги
| № | Номер | Наименование | Цена | |
|---|---|---|---|---|
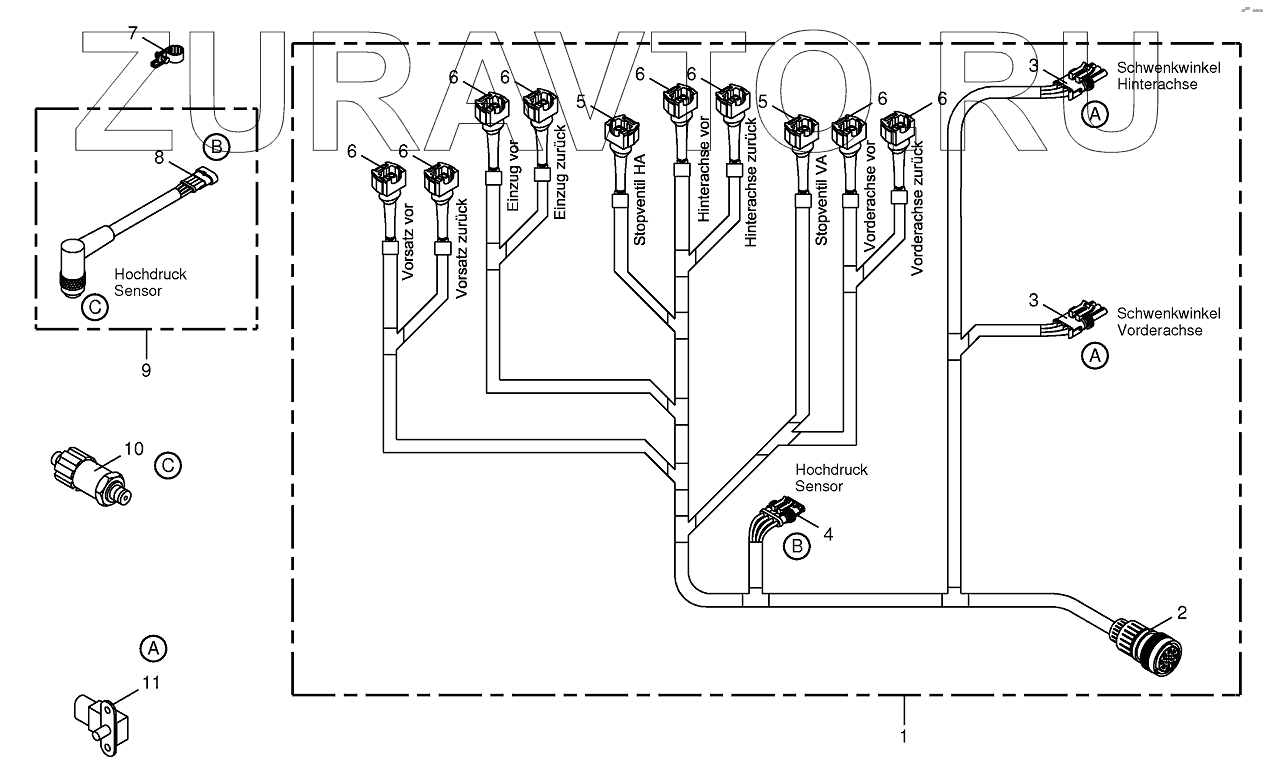
| 1 | 200805890 | Wiring harness-hydraulic pumps | Нет в продаже |
|
| 2 | 003024310 | Plug-31-pole | Нет в продаже |
|
| 3 | 003023520 | Plug-3-pole | Нет в продаже |
|
| 4 | 003023530 | Plug-4-pole | Нет в продаже |
|
| 5 | 200803320 | Jet-plug-2-pole | Нет в продаже |
|
| 6 | 003031140 | Jet-plug-2-pole | Нет в продаже |
|
| 7 | 009240700 | Screwless corrugatend tube | Нет в продаже |
|
| 7 | 009240710 | Screwless corrugatend tube | Нет в продаже |
|
| 8 | 003023540 | Coupling socket-4-pole | Нет в продаже |
|
| 9 | 003031721 | Adapter wire-4-pole | Нет в продаже |
|
| 10 | 003024731 | Pressure sensor | Нет в продаже |
|
| 11 | 270016270 | Angle sensor | Нет в продаже |
|
1
2
3
3
4
5
5
6
6
6
6
6
6
6
6
7
7
8
9
10
11
Содержащиеся в справочниках-каталогах запасные части и детали носят исключительно информационный характер