Оригинальные каталоги
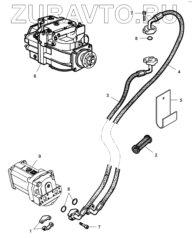
| № | Номер | Наименование | Цена | |
|---|---|---|---|---|
| 1 | LA311915300 | Half Flange | Нет в продаже |
|
| 2 | LA321829650 | Bush | Нет в продаже |
|
| 3 | LA322678850 | Hydraulic Hose | Нет в продаже |
|
| 4 | LA322678950 | Hydraulic Hose | Нет в продаже |
|
| 5 | LA323011750 | Support | Нет в продаже |
|
| 6 | LA323071400 | Pump | Нет в продаже |
|
| 7 | LA350345119 | Hex Socket Screw | Нет в продаже |
|
| 8 | LA350358114 | O-Ring | Нет в продаже |
|
| 9 | HydraulicMotor | Hydraulic Motor | Нет в продаже |
|
1
2
3
4
5
6
7
7
8
8
9
Содержащиеся в справочниках-каталогах запасные части и детали носят исключительно информационный характер