Оригинальные каталоги
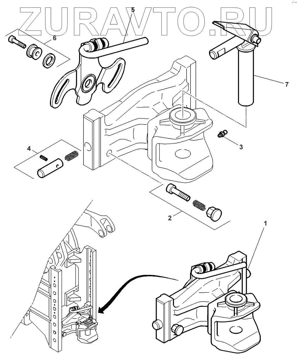
| № | Номер | Наименование | Цена | |
|---|---|---|---|---|
| 1 | G816.500.071.012 | Hitch | Нет в продаже |
|
| 2 | F816.500.070.120 | Securing Piece | Нет в продаже |
|
| 3 | Х662.516.102.000 | Grease Nipple | Нет в продаже |
|
| 4 | F816.500.070.140 | Pin | Нет в продаже |
|
| 5 | F816.500.070.130 | Disc | Нет в продаже |
|
| 6 | F816.500.070.150 | Kit Attaching. | Нет в продаже |
|
| 7 | 4271199М1 | Clevis Pin | Нет в продаже |
|
1
2
3
4
5
6
7
Содержащиеся в справочниках-каталогах запасные части и детали носят исключительно информационный характер