Оригинальные каталоги
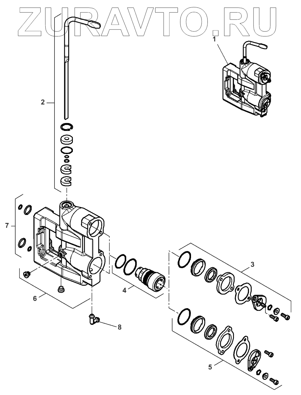
| № | Номер | Наименование | Цена | |
|---|---|---|---|---|
| 1 | 4306457М92 | Female Coupler | Нет в продаже |
|
| 2 | 4308112М11 | Kit Lever | Нет в продаже |
|
| 3 | 4308223М11 | Parts Pack | Нет в продаже |
|
| 4 | 4308111М11 | Parts Pack | Нет в продаже |
|
| 5 | 4308222М11 | Parts Pack | Нет в продаже |
|
| 6 | PartsPack | Parts Pack | Нет в продаже |
|
| 7 | 4308225М11 | Kit Joint | Нет в продаже |
|
| 8 | 4308224М11 | Union | Нет в продаже |
|
1
2
3
4
5
6
7
8
Содержащиеся в справочниках-каталогах запасные части и детали носят исключительно информационный характер