Оригинальные каталоги
| № | Номер | Наименование | Цена | |
|---|---|---|---|---|
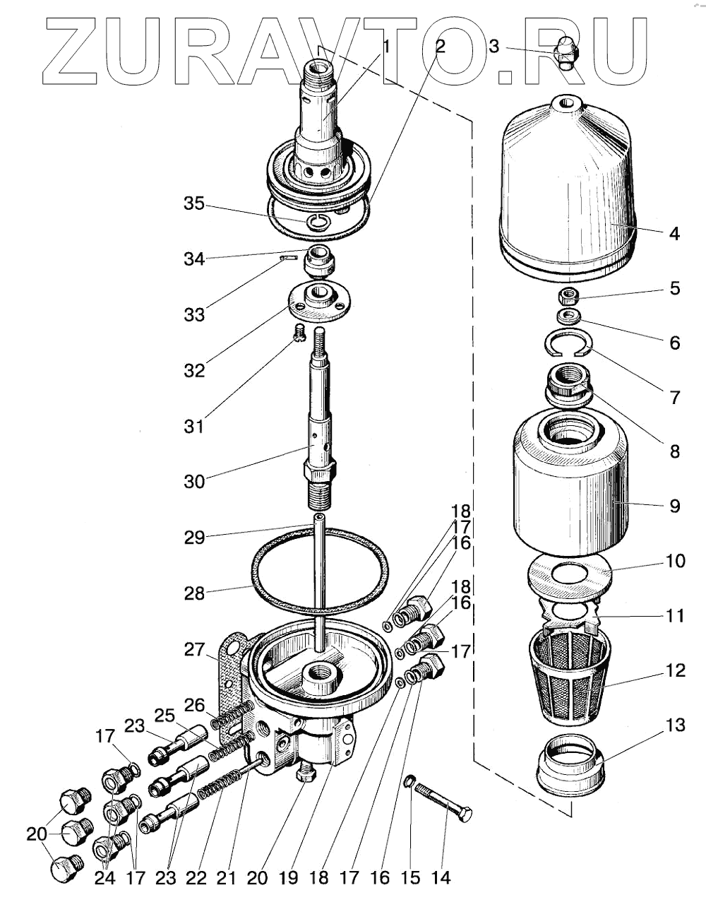
| 80-1737110 | 80-1737110 | Фильтр-распределитель в сборе | Нет в продаже |
|
| 80-1028020 | 80-1028020 | Ротор с осью | Нет в продаже |
|
| 1 | 240-1404017-Б | Корпус ротора | Нет в продаже |
|
| 2 | Кольцо115-120-30-1-4 | Кольцо 115-120-30-1-4 | Нет в продаже |
|
| 3 | 240-1404088 | Гайка колпака | Нет в продаже |
|
| 4 | 240-1404027 | Колпак | Нет в продаже |
|
| 5 | ГайкаМ12х1,25-6Н.6.019 | Гайка М12х1,25-6Н.6.019 | Нет в продаже |
|
| 6 | Д37А-1407607-В | Шайба | Нет в продаже |
|
| 7 | 240-1404033 | Кольцо | Нет в продаже |
|
| 8 | 240-1404035-A | Гайка специальная | Нет в продаже |
|
| 9 | 240-1404030-A | Стакан | Нет в продаже |
|
| 9 | 240-1404023 | Стакан | Нет в продаже |
|
| 10 | 240-1404113 | Крышка | Нет в продаже |
|
| 11 | 240-1404024 | Крыльчатка | Нет в продаже |
|
| 12 | 240-1404110 | Сетка фильтрующая | Нет в продаже |
|
| 13 | 240-1404049 | Стакан | Нет в продаже |
|
| 14 | БолтМ10-6gx70.88.35.019 | Болт М10-6gx70.88.35.019 | Нет в продаже |
|
| 15 | Шайба10.ОТ | Шайба | Нет в продаже |
|
| 16 | 50-1404075 | Пробка | Нет в продаже |
|
| 17 | 1221-1737126 | Прокладка клапана | Нет в продаже |
|
| 18 | ШайбаС5.01.019 | Шайба | Нет в продаже |
|
| 19 | 80-1737111 | Корпус | Нет в продаже |
|
| 20 | КГ1/8dm.А12.019 | Пробка | Нет в продаже |
|
| 21 | Штифт6х45 | Штифт | Нет в продаже |
|
| 22 | 70-4801045 | Пружина | Нет в продаже |
|
| 23 | 80-1737117 | Клапан | Нет в продаже |
|
| 24 | 1221-1737114 | Пробка | Нет в продаже |
|
| 25 | 80-1737113 | Пружина | Нет в продаже |
|
| 26 | 80-1737118 | Пружина | Нет в продаже |
|
| 27 | 80-1737112 | Прокладка | Нет в продаже |
|
| 28 | 50-1404059-Б1 | Прокладка | Нет в продаже |
|
| 29 | 240-1404013-Б | Трубка | Нет в продаже |
|
| 30 | 240-1404012-B | Ось | Нет в продаже |
|
| 30 | 80-1028080 | Ось ротора | Нет в продаже |
|
| 31 | ВинтВ.М6-6gx14.58.019 | Винт | Нет в продаже |
|
| 32 | 240-1404019-Б | Крышка корпуса | Нет в продаже |
|
| 33 | 240-1404028 | Штифт 5х8.11 | Нет в продаже |
|
| 34 | 80-1028090 | Насадок | Нет в продаже |
|
| 35 | 240-1404118 | Кольцо | Нет в продаже |
|
1
2
3
4
5
6
7
8
9
10
11
12
13
14
15
16
16
16
17
17
17
17
17
18
18
18
19
19
20
20
20
21
21
22
23
23
24
25
26
27
28
29
30
31
32
33
34
35
Содержащиеся в справочниках-каталогах запасные части и детали носят исключительно информационный характер