Оригинальные каталоги
| № | Номер | Наименование | Цена | |
|---|---|---|---|---|
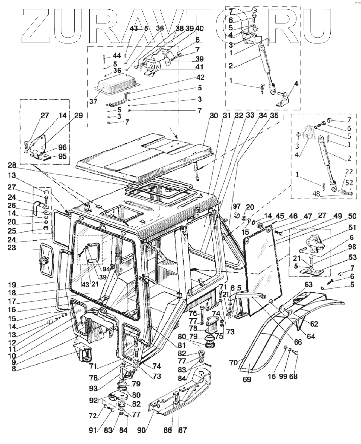
| 1221-6700010 | 1221-6700010 | Кабина в сборе | Нет в продаже |
|
| 80-6708210 | 80-6708210 | Рамка в сборе | Нет в продаже |
|
| 80-6708900-01 | 80-6708900-01 | Стекло в сборе | Нет в продаже |
|
| 1 | Шплинт3,2x18.019 | Шплинт | Нет в продаже |
|
| 2 | 6700.01 | Пневмоподъемник | Нет в продаже |
|
| 3 | М6-6Н.6.019 | Гайка | Нет в продаже |
|
| 4 | 80-6708225 | Кронштейн | Нет в продаже |
|
| 5 | С6.01.019 | Шайба | Нет в продаже |
|
| 6 | M6-6gx20.88.35.019 | Болт | Нет в продаже |
|
| 7 | А30.04.017 | Колпачок | Нет в продаже |
|
| 8 | 80-6700031-Б-01 | Кронштейн правый | Нет в продаже |
|
| 9 | 85-6703056 | Вставка | Нет в продаже |
|
| 10 | 80-6703012-А1 | Стекло | Нет в продаже |
|
| 10 | 80-6703012-А | Стекло | Нет в продаже |
|
| 11 | А37.08.043 | Уплотнитель | Нет в продаже |
|
| 11 | А37.08.043-01 | Уплотнитель | Нет в продаже |
|
| 12 | M8-6gx20.88.35.019 | Болт | Нет в продаже |
|
| 13 | А30.04.017-01 | Колпачок | Нет в продаже |
|
| 14 | Шайба8Т | Шайба 8Т | Нет в продаже |
|
| 15 | С8.01.019 | Шайба | Нет в продаже |
|
| 16 | 80-3805030 | Кронштейн | Нет в продаже |
|
| 17 | 80-6703011-А | Стекло | Нет в продаже |
|
| 17 | 80-6703011-А1 | Стекло | Нет в продаже |
|
| 18 | 80-6700018 | Уплотнитель L=4200 мм | Нет в продаже |
|
| 19 | 80-6703112-А | Поручень правый | Нет в продаже |
|
| 20 | М8-6Н.6.019 | Гайка | Нет в продаже |
|
| 21 | Шайба6Т | Шайба | Нет в продаже |
|
| 22 | 85-6701033 | Палец | Нет в продаже |
|
| 23 | 80-8201050 | Зеркало наружное | Нет в продаже |
|
| 24 | 80-8201106-Б | Труба | Нет в продаже |
|
| 25 | А30.04.017-02 | Колпачок | Нет в продаже |
|
| 26 | 80-8201107 | Шайба | Нет в продаже |
|
| 27 | M8-6gx30.88.35.019 | Болт | Нет в продаже |
|
| 28 | А37.08.045 | Уплотнитель | Нет в продаже |
|
| 29 | 80-6707010-Б | Петля | Нет в продаже |
|
| 30 | 80-6707025/-01/-02 | Крыша в сборе | Нет в продаже |
|
| 30 | Д82-6707025/-01 | Крыша в сборе | Нет в продаже |
|
| 31 | 1221-6700020 | Кабина | Нет в продаже |
|
| 32 | 80-6708211-А1 | Стекло | Нет в продаже |
|
| 32 | 80-6708211-А | Стекло | Нет в продаже |
|
| 33 | 80-6708215 | Рамка | Нет в продаже |
|
| 34 | А34.08.043-05 | Уплотнитель | Нет в продаже |
|
| 35 | 80-6700021-01/-02 | Уплотнитель | Нет в продаже |
|
| 36 | 549А-1305044 | Кольцо | Нет в продаже |
|
| 37 | 80-6707082 | Облицовка | Нет в продаже |
|
| 38 | В.М6-6gx12.58.019 | Винт | Нет в продаже |
|
| 39 | С6.01.019 | Шайба | Нет в продаже |
|
| 40 | 80-6707075 | Кронштейн | Нет в продаже |
|
| 41 | А37.09.010 | Защелка | Нет в продаже |
|
| 42 | 80-6707080 | Поручень | Нет в продаже |
|
| 43 | В.М6-6gx20.58.019 | Винт | Нет в продаже |
|
| 44 | В.М5-6gx50.58.019 | Винт | Нет в продаже |
|
| 45 | 80-6708903 | Втулка | Нет в продаже |
|
| 46 | Палец8x65 | Палец | Нет в продаже |
|
| 47 | 80-6708902 | Петля | Нет в продаже |
|
| 48 | Шайба10.ОТ | Шайба | Нет в продаже |
|
| 49 | F-202 | Уплотнитель | Нет в продаже |
|
| 50 | 1221-6708901-А1 | Стекло | Нет в продаже |
|
| 50 | 1221-6708901-А | Стекло | Нет в продаже |
|
| 51 | А37.05.025 | Фиксатор | Нет в продаже |
|
| 52 | С10.01.019 | Шайба | Нет в продаже |
|
| 53 | А37.05.021-Б | Кронштейн | Нет в продаже |
|
| 62 | 80-6708975 | Винт | Нет в продаже |
|
| 63 | 80-6708904 | Прокладка | Нет в продаже |
|
| 64 | А37.01.041 | Втулка | Нет в продаже |
|
| 66 | 80-6708970 | Ручка | Нет в продаже |
|
| 68 | М8-6gx20.88.35.019 | Болт | Нет в продаже |
|
| 69 | Л82-8404011-01 | Крыло | Нет в продаже |
|
| 69 | Д82-8404020-А-01 | Крыло | Нет в продаже |
|
| 69 | Д82-8404020-А1-01 | Крыло | Нет в продаже |
|
| 69 | ДЛ82-8404011 | Крыло | Нет в продаже |
|
| 69 | Д82-8404020-А | Крыло | Нет в продаже |
|
| 69 | Д82-8404020-А1 | Крыло | Нет в продаже |
|
| 70 | 80-8404013-Б | Уплотнитель | Нет в продаже |
|
| 71 | М12-6gx35.88.35.019 | Болт | Нет в продаже |
|
| 72 | Шайба16.ОТ | Шайба | Нет в продаже |
|
| 73 | С12.01.019 | Шайба | Нет в продаже |
|
| 74 | Шайба12.ОТ | Шайба | Нет в продаже |
|
| 75 | М12-6Н.6.019 | Гайка | Нет в продаже |
|
| 76 | 80-6700029 | Болт | Нет в продаже |
|
| 77 | С16.01.019 | Шайба | Нет в продаже |
|
| 78 | 1221-6700035 | Опора левая | Нет в продаже |
|
| 78 | 1221-6700035-01 | Опора правая | Нет в продаже |
|
| 79 | 80-6700163 | Обойма | Нет в продаже |
|
| 80 | 80-6700160 | Виброизолятор | Нет в продаже |
|
| 81 | 80-6703112-А | Поручень правый | Нет в продаже |
|
| 82 | 130-5001364-В | Подушка нижняя | Нет в продаже |
|
| 83 | М16-6Н.6.019 | Гайка | Нет в продаже |
|
| 84 | Шплинт4x36.019 | Шплинт | Нет в продаже |
|
| 87 | М20-6gx70.88.35.019 | Болт | Нет в продаже |
|
| 87 | 1221-6702301 | Болт | Нет в продаже |
|
| 88 | Шайба20.ОТ | Шайба | Нет в продаже |
|
| 90 | 1221-6702300 | Кронштейн правый | Нет в продаже |
|
| 90 | 1221-6702300-01 | Кронштейн левый | Нет в продаже |
|
| 91 | М16-6gx45.88.35.019 | Болт | Нет в продаже |
|
| 92 | 85-6702068 | Кронштейн | Нет в продаже |
|
| 93 | 80-6700031-Б | Кронштейн | Нет в продаже |
|
| 94 | 80-6708209 | Ручка | Нет в продаже |
|
| 95 | 80-6707013 | Петля | Нет в продаже |
|
| 96 | 70-6708189 | Ось | Нет в продаже |
|
| 97 | А30.04.017-02 | Колпачок | Нет в продаже |
|
| 98 | М6-6gx14.88.35.019 | Болт | Нет в продаже |
|
| 99 | Шайба8Л | Шайба | Нет в продаже |
|
1
1
1
1
2
2
3
3
3
3
4
4
4
5
5
5
5
5
5
5
5
5
6
6
6
6
6
6
7
7
7
7
7
7
8
9
10
10
11
11
12
13
13
14
14
14
14
15
15
15
16
17
17
18
19
20
20
21
21
21
22
23
24
24
25
26
27
27
27
28
29
30
30
31
32
32
33
34
35
36
36
37
38
39
39
39
40
41
42
43
43
44
45
46
47
48
49
50
50
51
52
53
62
63
64
66
68
69
69
69
69
69
69
70
71
71
72
73
73
74
74
75
76
76
77
77
77
78
78
79
79
80
80
81
82
82
83
83
84
84
87
87
88
90
90
90
91
92
93
94
95
96
97
98
99
Содержащиеся в справочниках-каталогах запасные части и детали носят исключительно информационный характер