Оригинальные каталоги
| № | Номер | Наименование | Цена | |
|---|---|---|---|---|
| 2103-1700010 | 2103-1700010 | Коробка передач | Нет в продаже |
|
| 952-3407100Н-04 | 952-3407100Н-04 | Рукав высокого давления | Нет в продаже |
|
| ЗГА 952-3407100-04 | ЗГА 952-3407100-04 | Рукав высокого давления | Нет в продаже |
|
| 952-3407100Н-02 | 952-3407100Н-02 | Рукав высокого давления | Нет в продаже |
|
| ЗГА952-3407100-06 | ЗГА952-3407100-06 | Рукав высокого давления | Нет в продаже |
|
| 952-3407100Н-06 | 952-3407100Н-06 | Рукав высокого давления | Нет в продаже |
|
| PVRM3-103/S-20-12E3A/М | PVRM3-103/S-20-12E3A/М | Клапан пропорциональный | Нет в продаже |
|
| WZRS6-02/M2-12-J | WZRS6-02/M2-12-J | Пропорциональный редукционный клапан | Нет в продаже |
|
| ЗГА952-3407100-02 | ЗГА952-3407100-02 | Рукав высокого давления | Нет в продаже |
|
| 2103-1712010 | 2103-1712010 | Распределитель | Нет в продаже |
|
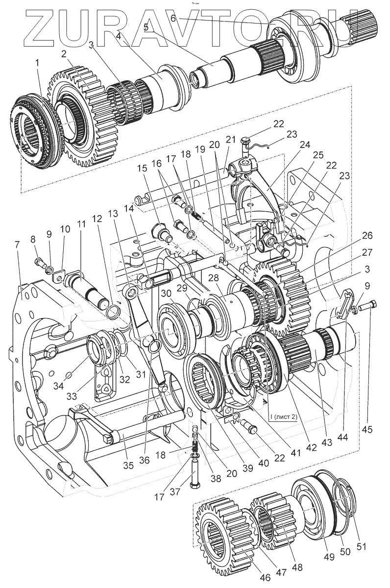
| 1 | GT-D 109/116; 3.30647.3 | Синхронизатор | Нет в продаже |
|
| 2 | 2103-1701310-Б | Шестерня | Нет в продаже |
|
| 3 | Подшипник КК 75х86х40 Е | Подшипни | Нет в продаже |
|
| 4 | 2102-1701313 | Втулка | Нет в продаже |
|
| 5 | 1802-1701252 | Вал | Нет в продаже |
|
| 6 | 6-627613 А1К | Подшипник | Нет в продаже |
|
| 7 | 1502-1701026 | Корпус | Нет в продаже |
|
| 8 | Болт М10-6gх20.88.35.019 | Болт М10-6gх20.88.35.019 | Нет в продаже |
|
| 9 | 4598166067 | Шайба 10ОТ | Нет в продаже |
|
| 10 | 85-1702043 | Пластина | Нет в продаже |
|
| 11 | 85-1702042 | Ось | Нет в продаже |
|
| 12 | 026-030-25-2-2 | Кольцо | Нет в продаже |
|
| 13 | 85-1702041 | Коромысло | Нет в продаже |
|
| 14 | 85-1702050 | Поводок | Нет в продаже |
|
| 15 | 50-1002318-Б | Рым | Нет в продаже |
|
| 16 | Болт М12-6gх25.88.35.019 | Болт | Нет в продаже |
|
| 17 | 85-1702051 | Шайба | Нет в продаже |
|
| 18 | 50-1702148-А | Пружина фиксатора | Нет в продаже |
|
| 19 | 85-1702048 | Штифт | Нет в продаже |
|
| 20 | Шарик 10,0-60 | Шарик 10,0-60 | Нет в продаже |
|
| 21 | 2022-1702037-Б | Поводок | Нет в продаже |
|
| 22 | 80-1702108 | Болт | Нет в продаже |
|
| 23 | Проволока 1,6-О-С | Проволока | Нет в продаже |
|
| 24 | 1222-1702029 | Вилка | Нет в продаже |
|
| 25 | 85-1702045 | Поводок | Нет в продаже |
|
| 26 | 2022-1702046 | Шток | Нет в продаже |
|
| 27 | 2025-1701314-Б | Шестерня | Нет в продаже |
|
| 28 | 2025-1701349-Б | Втулка | Нет в продаже |
|
| 29 | 1522-1701350 | Втулка | Нет в продаже |
|
| 30 | 6-67512 АШ2 | Подшипник | Нет в продаже |
|
| 31 | 1522-1701254-01 | Шайба 0,5 мм | Нет в продаже |
|
| 32 | 1522-1701254 | Шайба 0,2 мм | Нет в продаже |
|
| 33 | 1522-1701354 | Шайба | Нет в продаже |
|
| 34 | 80-1701045 | Гайка | Нет в продаже |
|
| 35 | 2022-1702038 | Поводок | Нет в продаже |
|
| 36 | С25 | Кольцо | Нет в продаже |
|
| 37 | Болт М12-6gх55.88.35.019 | Болт | Нет в продаже |
|
| 38 | 80-1704039 | Направляющая | Нет в продаже |
|
| 39 | 2103-1701184 | Муфта | Нет в продаже |
|
| 40 | 80-1702311 | Шайба | Нет в продаже |
|
| 41 | 2103-1702034 | Вилка | Нет в продаже |
|
| 42 | 692215 К1М | Подшипник | Нет в продаже |
|
| 43 | 2103-1701240 | Вал | Нет в продаже |
|
| 44 | 80-1701205 | Планка | Нет в продаже |
|
| 45 | 911067 | Болт | Нет в продаже |
|
| 46 | 2022-1701221 | Шестерня | Нет в продаже |
|
| 47 | 2С75 | Кольцо | Нет в продаже |
|
| 48 | 2103-1701224 | Шестерня | Нет в продаже |
|
| 49 | 50312 А | Подшипник | Нет в продаже |
|
| 50 | 80-1701206 | Кольцо | Нет в продаже |
|
| 51 | 2823-1701049 | Гайка | Нет в продаже |
|
| 52 | 2022-1702035 | Поводок | Нет в продаже |
|
| 53 | 2022-1702027 | Вилка | Нет в продаже |
|
| 54 | 85-1702301 | Ось | Нет в продаже |
|
| 55 | Шарик 12,7-60 | Шарик | Нет в продаже |
|
| 56 | ВК 12-41 | Выключатель | Нет в продаже |
|
| 57 | 50-1702048 | Прокладка | Нет в продаже |
|
| 58 | 12-23-668-А | Пружина | Нет в продаже |
|
| 59 | 2022-1702305 | Штифт | Нет в продаже |
|
| 60 | 2103-1701341 | Шестерня | Нет в продаже |
|
| 61 | 2022-1701307 | Кольцо | Нет в продаже |
|
| 62 | 2022-1701325-А | Вал | Нет в продаже |
|
| 63 | 2022-1701306-А | Втулка | Нет в продаже |
|
| 64 | NUP 308 EC | Подшипник | Нет в продаже |
|
| 65 | 2022-1701049 | Гайка | Нет в продаже |
|
| 66 | 2022-1701317 | Стакан | Нет в продаже |
|
| 67 | 2022-1701310 | Стакан | Нет в продаже |
|
| 68 | 4598166046 | Шайба 8Т | Нет в продаже |
|
| 69 | Болт М8-6gх25.88.35.019 | Болт | Нет в продаже |
|
| 70 | 80-1701420 | Трубка | Нет в продаже |
|
| 71 | 80-1701549 | Штуцер | Нет в продаже |
|
| 72 | 80-1701057 | Штуцер | Нет в продаже |
|
| 73 | Д18-055-А | Шайба | Нет в продаже |
|
| 74 | 2025-1701430 | Трубопровод | Нет в продаже |
|
| 75 | С45 | Кольцо | Нет в продаже |
|
| 76 | 2103-1701344 | Зубчатка | Нет в продаже |
|
| 77 | 692309 КМ | Подшипник | Нет в продаже |
|
| 78 | 2022-1701305 | Шайба | Нет в продаже |
|
| 79 | Подшипник КК 52х60х39 Е | Подшипник | Нет в продаже |
|
| 80 | 2022-1701351 | Шестерня | Нет в продаже |
|
| 81 | 54-31-472 | Кольцо пружинное | Нет в продаже |
|
| 82 | 2022-1701352 | Втулка | Нет в продаже |
|
| 83 | 2022-1701343 | Муфта | Нет в продаже |
|
| 84 | 2022-1701330 | Вал | Нет в продаже |
|
| 85 | 2103-1701361 | Шестерня | Нет в продаже |
|
| 86 | 2022-1701339-Б | Втулка | Нет в продаже |
|
| 87 | 80-1701396 | Кольцо | Нет в продаже |
|
| 88 | 2103-1701020 | Узел передач | Нет в продаже |
|
| 89 | 80-1701026 | Прокладка | Нет в продаже |
|
| 90 | 85-1702026 | Прокладка | Нет в продаже |
|
| 91 | 4598166068 | Шайба 12ОТ | Нет в продаже |
|
| 92 | 50-1702092 | Болт призонный М12х42 | Нет в продаже |
|
| 93 | Болт М10-6gх35.88.35.019 | Болт | Нет в продаже |
|
| 94 | 2103-1702010 | Механизм управления | Нет в продаже |
|
| 95 | 2025-1701531 | Пробка | Нет в продаже |
|
| 96 | 2025-1701160 | Вал | Нет в продаже |
|
| 97 | 2102-1701525 | Шпилька | Нет в продаже |
|
| 98 | Д01-015 | Штифт установочный | Нет в продаже |
|
| 99 | Болт М12-6gх30.88.35.019 | Болт | Нет в продаже |
|
| 100 | 2022-1701454 | Крышка | Нет в продаже |
|
| 101 | 2022-1701456 | Прокладка | Нет в продаже |
|
| 102 | 1222-1704010 | Привод насоса | Нет в продаже |
|
| 103 | 80-1704016 | Прокладка | Нет в продаже |
|
| 104 | ШЦК 10х25 | Штифт | Нет в продаже |
|
| 105 | 80-4608021 | Заглушка | Нет в продаже |
|
| 106 | 027-032-30-1-4 | Кольцо | Нет в продаже |
|
| 107 | ПК КГ 3/8" | Пробка | Нет в продаже |
|
| 108 | 1222-1701071 | Штифт | Нет в продаже |
|
| 109 | Болт М12-6gх100.58.019 | Болт | Нет в продаже |
|
| 110 | 48А-3801023 | Трубка | Нет в продаже |
|
| 111 | 70-1115012 | Хомутик | Нет в продаже |
|
| 112 | 2025-1701525 | Шпилька | Нет в продаже |
|
| 113 | 2025-1701525-01 | Шпилька | Нет в продаже |
|
| 114 | 77-4637250 | Фильтр | Нет в продаже |
|
| 115 | 2103-1701080 | Угольник | Нет в продаже |
|
| 116 | 952-3407100-04 | Рукав высокого давления | Нет в продаже |
|
| 117 | 2103-1701060 | Угольник | Нет в продаже |
|
| 118 | 240-1111103 | Болт | Нет в продаже |
|
| 119 | 2103-1701003 | Болт | Нет в продаже |
|
| 120 | 40-4607038-А | Шайба | Нет в продаже |
|
| 121 | Болт М10-6gх25.88.35.019 | Болт М10-6gх25.88.35.019 | Нет в продаже |
|
| 122 | 2103-1716101-Б | Кронштейн | Нет в продаже |
|
| 123 | Болт М10-6gх40.88.35.019 | Болт | Нет в продаже |
|
| 124 | 952-3407100-02 | Рукав высокого давления | Нет в продаже |
|
| 125 | Д18-051 | Болт | Нет в продаже |
|
| 126 | 952-3407100-06 | Рукав высокого давления | Нет в продаже |
|
| 127 | 2103-1701030 | Клапан защитный | Нет в продаже |
|
| 128 | ДД-20М | Датчик давления | Нет в продаже |
|
| 129 | ДАДМ-05 | Датчик | Нет в продаже |
|
| 130 | 36-1104788 | Прокладка | Нет в продаже |
|
| 131 | 2103-1701007 | Переходник | Нет в продаже |
|
| 132 | 2103-1701070 | Угольник | Нет в продаже |
|
| 133 | MHDRE06SK3X/20AG12C4V | Клапан пропорциональный | Нет в продаже |
|
| 134 | 80-1701063 | Пробка | Нет в продаже |
|
| 135 | 2103-1712011 | Корпус | Нет в продаже |
|
| 136 | 009-012-19-2-4 | Кольцо | Нет в продаже |
|
| 137 | ДСДМ-М | Датчик сигнализатора давления | Нет в продаже |
|
| 138 | 80-4801214-Б | Пробка | Нет в продаже |
|
| 139 | Болт М8-6gх80.88.35.019 | Болт | Нет в продаже |
|
| 140 | 2025-1712012 | Прокладка | Нет в продаже |
|
| 141 | 80-1737112 | Прокладка | Нет в продаже |
|
| 142 | 2103-1737110 | Фильтр-распределитель | Нет в продаже |
|
| 143 | Болт М10-6gх65.88.35.019 | Болт | Нет в продаже |
|
| 144 | 80-1716010 | Фильтр в сборе | Нет в продаже |
|
| 145 | 80-1716016 | Прокладка | Нет в продаже |
|
| 146 | Болт М6-6gх16.88.35.019 | Болт М6-6gх16.88.35.019 | Нет в продаже |
|
| 147 | 4598166045 | Шайба 6Т | Нет в продаже |
|
| 148 | КГ 1/8". А12.019 | Пробка | Нет в продаже |
|
| 149 | 1502-1700210 | Кожух | Нет в продаже |
|
| 150 | ДГС-М-101-12-01 | Датчик гидросигнализатор | Нет в продаже |
|
| 151 | МЛ131-1700009 | Крышка | Нет в продаже |
|
| 152 | 80-1701399-Б | Прокладка | Нет в продаже |
|
| 153 | 2022-2412007 | Штуцер | Нет в продаже |
|
| 154 | 1021-4803158 | Переходник | Нет в продаже |
|
| 155 | 017-022-30-1-4 | Кольцо | Нет в продаже |
|
| 156 | 2103-1701090 | Угольник | Нет в продаже |
|
2103-1700010
2103-1700010
2103-1712010
2103-1712010
1
2
3
3
4
5
6
7
8
9
9
10
11
12
13
14
15
16
17
17
18
18
19
20
20
21
22
22
22
23
23
24
25
26
27
28
29
30
31
32
33
34
35
36
37
38
39
40
41
42
43
44
45
46
47
48
49
50
51
Содержащиеся в справочниках-каталогах запасные части и детали носят исключительно информационный характер