Оригинальные каталоги
| № | Номер | Наименование | Цена | |
|---|---|---|---|---|
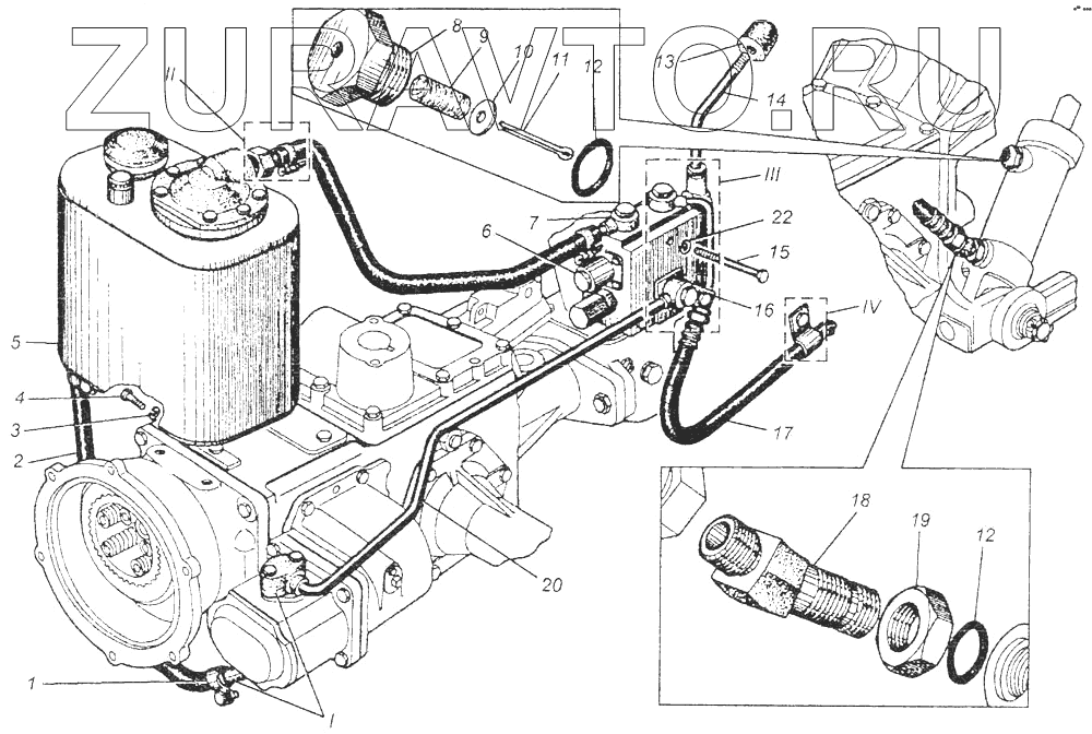
| 082-4607010 | 082-4607010 | Рычаг (14, 35, 36) | Нет в продаже |
|
| Н.036.77.000 | Н.036.77.000 | Сапун (8-11) | Нет в продаже |
|
| 082-4607090 | 082-4607090 | Труба (7, 26-31) | Нет в продаже |
|
| 1 | ХС-21 | Хомут | Нет в продаже |
|
| 2 | 082-4607113 | Шланг | Нет в продаже |
|
| 3 | 6Т | Шайба | Нет в продаже |
|
| 4 | М6-6gх30.88.35.019 | Болт ГОСТ 7796-70 | Нет в продаже |
|
| 5 | 082-4608110 | Бак | Нет в продаже |
|
| 6 | Р12.31.10.000 | Гидрораспределитель Р12.3.10.5 | Нет в продаже |
|
| 7 | 082-4607050 | Труба | Нет в продаже |
|
| 8 | Н.036.77.002 | Корпус | Нет в продаже |
|
| 9 | 10.6309 | Нитки | Нет в продаже |
|
| 10 | Н.036.75.001 | Шайба | Нет в продаже |
|
| 11 | 3,2х28.016 | Шплинт ГОСТ 397-79 | Нет в продаже |
|
| 12 | 017-021-25 | Кольцо ГОСТ 9833-73 | Нет в продаже |
|
| 13 | А13.11.000 | Рукоятка | Нет в продаже |
|
| 14 | 082-4607013 | Рычаг | Нет в продаже |
|
| 15 | М8-6gх80.35.019 | Болт ГОСТ 7796-70 | Нет в продаже |
|
| 16 | 082-4607040 | Труба | Нет в продаже |
|
| 17 | Н.036.83.100 | Рукав высокого давления | Нет в продаже |
|
| 18 | 082-4607112-Б | Штуцер | Нет в продаже |
|
| 19 | 40-3405062 | Гайка | Нет в продаже |
|
| 20 | 082-4607030 | Труба | Нет в продаже |
|
| 22 | 8Т | Шайба | Нет в продаже |
|
1
2
3
4
5
6
7
8
9
10
11
12
12
13
14
15
16
17
18
19
20
22
Содержащиеся в справочниках-каталогах запасные части и детали носят исключительно информационный характер