Оригинальные каталоги
| № | Номер | Наименование | Цена | |
|---|---|---|---|---|
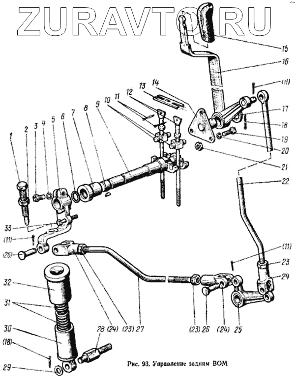
| 50-4216070-Б | 50-4216070-Б | Валик управления с осью в сборе | Нет в продаже |
|
| 85-4216085 | 85-4216085 | Тяга 80-4216043 с гайкой и вилкой в сборе | Нет в продаже |
|
| 80-4216060 | 80-4216060 | Тяга 80-4216043 в сборе | Нет в продаже |
|
| 1 | 70-4216023 | Болт | Нет в продаже |
|
| 2 | М16 | Гайка | Нет в продаже |
|
| 3 | М12х35 | Болт | Нет в продаже |
|
| 4 | ШП12 | Шайба | Нет в продаже |
|
| 5 | 50-4216022-А | Рычаг | Нет в продаже |
|
| 6 | 025-030-30-1-4 | Кольцо | Нет в продаже |
|
| 7 | 50-4216024 | Втулка | Нет в продаже |
|
| 8 | 6х11 | Шпонка сегментная | Нет в продаже |
|
| 9 | 50-4216018 | Валик | Нет в продаже |
|
| 10 | 50-4216034 | Ось | Нет в продаже |
|
| 11 | 3,2х18 | Шплинт | Нет в продаже |
|
| 12 | 80-4216028 | Винт | Нет в продаже |
|
| 13 | 80-4216039 | Стопор | Нет в продаже |
|
| 14 | 80-4216105 | Кронштейн | Нет в продаже |
|
| 15 | А13.17.000 | Рукоятка | Нет в продаже |
|
| 16 | 85-4216100 | Рычаг | Нет в продаже |
|
| 17 | 50-3406037 | Шайба упорная | Нет в продаже |
|
| 18 | 4х36 | Шплинт | Нет в продаже |
|
| 19 | М8х16 | Болт | Нет в продаже |
|
| 20 | ШП8 | Шайба | Нет в продаже |
|
| 21 | М8 | Гайка | Нет в продаже |
|
| 22 | 85-4216081 | Тяга | Нет в продаже |
|
| 23 | М12х1,25 | Гайка | Нет в продаже |
|
| 24 | 50-3502203 | Вилка | Нет в продаже |
|
| 25 | 80-4216050 | Рычаг 80-4216057со втулкой в сборе | Нет в продаже |
|
| 26 | 12х32 | Палец | Нет в продаже |
|
| 27 | 80-4216043 | Тяга | Нет в продаже |
|
| 28 | 70-4216048 | Болт | Нет в продаже |
|
| 29 | ШЧ16 | Шайба | Нет в продаже |
|
| 30 | 80-4216045 | Стакан внутренний | Нет в продаже |
|
| 31 | 50-1602032 | Пружина | Нет в продаже |
|
| 32 | 80-4216055 | Стакан наружный | Нет в продаже |
|
| 33 | 4М10х60 | Болт (технологический) | Нет в продаже |
|
1
2
3
4
5
6
7
8
9
10
11
11
11
11
12
13
14
15
16
17
18
18
19
20
21
22
23
23
23
24
24
24
25
26
26
27
28
29
30
31
32
33
Содержащиеся в справочниках-каталогах запасные части и детали носят исключительно информационный характер