Оригинальные каталоги
| № | Номер | Наименование | Цена | |
|---|---|---|---|---|
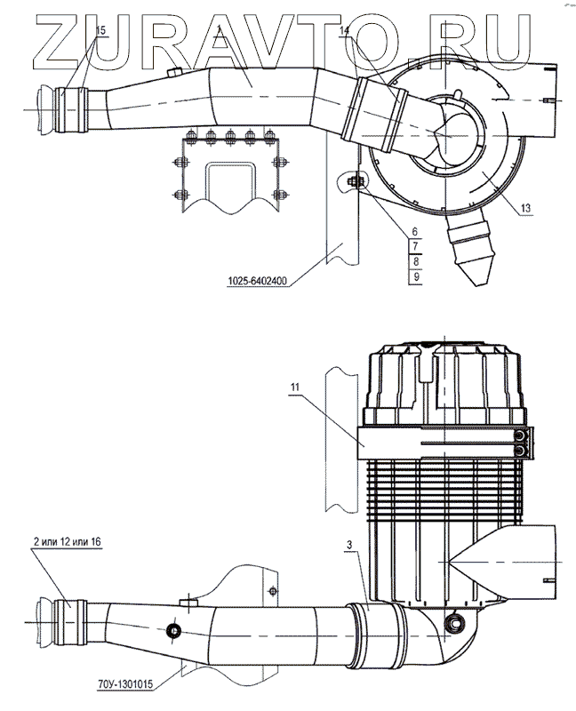
| 1025-1109125 | 1025-1109125 | Установка воздухоочистителя | Нет в продаже |
|
| 1 | 1025-1109010 | Труба | Нет в продаже |
|
| 2 | 1025-1109006 | Патрубок | Нет в продаже |
|
| 3 | 245-1008029 | Патрубок | Нет в продаже |
|
| 6 | M8-6gx25.88.35.019 | Болт | Нет в продаже |
|
| 7 | М8-6Н.6.019 | Гайка | Нет в продаже |
|
| 8 | С8.01.019 | Шайба | Нет в продаже |
|
| 9 | 8Т | Шайба | Нет в продаже |
|
| 11 | Р78-0532 | Кронштейн (Donaldson) | Нет в продаже |
|
| 12 | Sico Rubena270 003 151-ATYTPD282 | Патрубок силиконовый | Нет в продаже |
|
| 13 | FPG 09-0219 | Фильтр воздушный | Нет в продаже |
|
| 14 | TORRO 90-110/9-C6W | Хомут НОРМА | Нет в продаже |
|
| 15 | TORRO 70-90/9-C6W | Хомут | Нет в продаже |
|
| 16 | PR001-60-80-PES | Патрубок термостойкий | Нет в продаже |
|
1025-1109125
1
2
3
6
7
8
9
11
12
13
14
15
16
Содержащиеся в справочниках-каталогах запасные части и детали носят исключительно информационный характер