Оригинальные каталоги
| № | Номер | Наименование | Цена | |
|---|---|---|---|---|
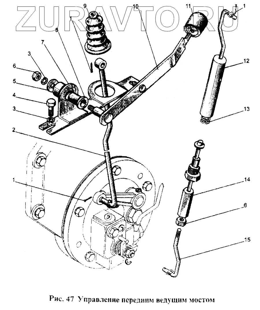
| 86-1804030-В | 86-1804030-В | Стержень с тягой в сборе | Нет в продаже |
|
| 86-1804015-В | 86-1804015-В | Телескоп в сборе | Нет в продаже |
|
| 86-1804010 | 86-1804010 | Управление передним ведущим мостом в сборе | Нет в продаже |
|
| 1 | 3,2х18 | Шплинт | Нет в продаже |
|
| 2 | 86-1804012-В | Тяга | Нет в продаже |
|
| 3 | SНР8 | Шайба | Нет в продаже |
|
| 4 | М8х20 | Болт | Нет в продаже |
|
| 5 | SНСН8 | Шайба | Нет в продаже |
|
| 6 | М8 | Гайка | Нет в продаже |
|
| 7 | 86-1804020 | Кронштейн | Нет в продаже |
|
| 8 | 50-4607082-А | Втулка | Нет в продаже |
|
| 9 | 86-1804011 | Чехол | Нет в продаже |
|
| 10 | 86-1804025 | Рычаг | Нет в продаже |
|
| 11 | А13.11.000 | Рукоятка | Нет в продаже |
|
| 12 | 86-1804045 | Тяга | Нет в продаже |
|
| 13 | 86-1804018 | Пружина | Нет в продаже |
|
| 14 | 86-1804030-В | Стержень с тягой в сборе | Нет в продаже |
|
| 15 | 86-1802022-В | Тяга | Нет в продаже |
|
1
1
1
2
3
3
4
5
6
6
7
8
9
10
11
12
13
14
15
Содержащиеся в справочниках-каталогах запасные части и детали носят исключительно информационный характер