Оригинальные каталоги
| № | Номер | Наименование | Цена | |
|---|---|---|---|---|
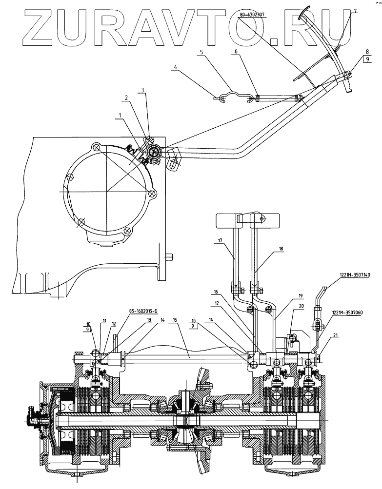
| 70-3503080 | 70-3503080 | Тяга тормоза | Нет в продаже |
|
| 1221М-3507060 | 1221М-3507060 | Рычаг | Нет в продаже |
|
| 1221М-3507140 | 1221М-3507140 | Тяга | Нет в продаже |
|
| 1 | М12х1,25-6Н.04.019 | Гайка | Нет в продаже |
|
| 2 | 70-3503018 | Шайба | Нет в продаже |
|
| 3 | 70-3503019 | Болт | Нет в продаже |
|
| 4 | 85-3503046 | Кронштейн | Нет в продаже |
|
| 5 | 70-3503045 | Удлинитель | Нет в продаже |
|
| 6 | 50-1605152 | Пружина | Нет в продаже |
|
| 7 | 80-3503158-А | Чехол | Нет в продаже |
|
| 8 | М12-6gх30.88.35.019 | Болт | Нет в продаже |
|
| 9 | 12ОТ | Шайба ОСТ 37.001.115-75 | Нет в продаже |
|
| 10 | М12-6gх35.88.35.019 | Болт | Нет в продаже |
|
| 11 | 70-3503017-А | Рычаг | Нет в продаже |
|
| 12 | 1221М-3503016-01 | Втулка | Нет в продаже |
|
| 13 | СШ-611 | Шпонка | Нет в продаже |
|
| 14 | 50-3503071 | Шайба | Нет в продаже |
|
| 15 | 1221М-3503015 | Валик | Нет в продаже |
|
| 16 | 85-3503120-А | Рычаг | Нет в продаже |
|
| 17 | 80-3503140 | Педаль | Нет в продаже |
|
| 18 | 80-3503130 | Педаль | Нет в продаже |
|
| 19 | 1221М-3503110 | Рычаг | Нет в продаже |
|
| 19 | 1221М-3503110-01 | Рычаг | Нет в продаже |
|
| 20 | 1221М-3503016 | Втулка | Нет в продаже |
|
| 21 | 5x36.019 | Шплинт | Нет в продаже |
|
1221М-3507060
1221М-3507140
1
2
3
4
5
6
7
8
9
9
9
10
10
11
12
12
13
14
14
15
16
17
18
19
19
20
21
Содержащиеся в справочниках-каталогах запасные части и детали носят исключительно информационный характер