Оригинальные каталоги
| № | Номер | Наименование | Цена | |
|---|---|---|---|---|
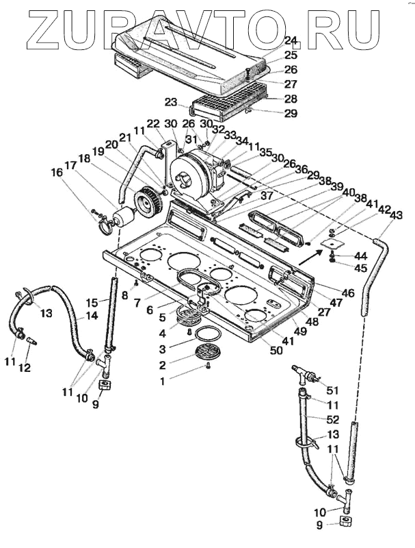
| 80-8101720 | 80-8101720 | Отопитель в сборе | Нет в продаже |
|
| 80-8101810 | 80-8101810 | Панель | Нет в продаже |
|
| 80-8101830 | 80-8101830 | Арматура отопителя | Нет в продаже |
|
| 1 | 6x18 | Палец | Нет в продаже |
|
| 2 | 150.95.301 | Воздухораспределитель | Нет в продаже |
|
| 3 | 80-8100013 | Накладка | Нет в продаже |
|
| 4 | 2x12 | Шплинт | Нет в продаже |
|
| 5 | 50-8400031 | Ось | Нет в продаже |
|
| 6 | 80-8100048 | Петля | Нет в продаже |
|
| 7 | 80-8101714-07 | Уплотнитель | Нет в продаже |
|
| 8 | ВМ6х20 | Винт | Нет в продаже |
|
| 9 | 80-8100052 | Пробка | Нет в продаже |
|
| 10 | 80-8100051 | Тройник | Нет в продаже |
|
| 11 | ХС-23 | Хомут | Нет в продаже |
|
| 12 | 80-8100023 | Штуцер | Нет в продаже |
|
| 13 | 80-3723045-01 | Манжета | Нет в продаже |
|
| 14 | 80-8102015-02 | Шланг L=1840 мм | Нет в продаже |
|
| 15 | 80-8101015 | Шланг | Нет в продаже |
|
| 16 | ХС-76 | Хомут | Нет в продаже |
|
| 17 | 9742.3730 | Электродвигатель | Нет в продаже |
|
| 18 | 80-8104034 | Ротор | Нет в продаже |
|
| 19 | М4 | Гайка | Нет в продаже |
|
| 20 | 80-8104039 | Кольцо | Нет в продаже |
|
| 21 | ВМ4х10 | Винт | Нет в продаже |
|
| 22 | 80-8101721 | Растяжка | Нет в продаже |
|
| 23 | 80-8101714-04 | Уплотнитель | Нет в продаже |
|
| 24 | 80-8101760 | Крышка | Нет в продаже |
|
| 25 | М6х20 | Винт | Нет в продаже |
|
| 26 | ШП6 | Шайба | Нет в продаже |
|
| 27 | ШЧ6 | Шайба | Нет в продаже |
|
| 28 | 80-8104070 | Фильтр | Нет в продаже |
|
| 29 | 80-8101820 | Подвеска | Нет в продаже |
|
| 30 | М6 | Гайка | Нет в продаже |
|
| 31 | ШЧ6 | Шайба | Нет в продаже |
|
| 32 | 70У-8101070-А | Радиатор отопителя | Нет в продаже |
|
| 33 | 80-8101730-А | Кожух | Нет в продаже |
|
| 34 | ПР32-06 | Уплотнитель | Нет в продаже |
|
| 35 | 80-8101800 | Коробка | Нет в продаже |
|
| 36 | 80-3703046-А | Шпилька | Нет в продаже |
|
| 37 | 80-8100014 | Стержень | Нет в продаже |
|
| 38 | ВМ6х16 | Винт | Нет в продаже |
|
| 39 | 80-8100011-Б | Крышка | Нет в продаже |
|
| 40 | 80-8100012 | Заслонка | Нет в продаже |
|
| 41 | М8 | Гайка | Нет в продаже |
|
| 42 | ШЧ8 | Шайба | Нет в продаже |
|
| 43 | 80-8102015 | Шланг L=700 мм | Нет в продаже |
|
| 44 | М8х35 | Болт | Нет в продаже |
|
| 45 | А30.04.017-01 | Колпачок | Нет в продаже |
|
| 46 | 80-8100100 | Панель | Нет в продаже |
|
| 47 | 70-6702111 | Угольник | Нет в продаже |
|
| 48 | М6х16 | Винт | Нет в продаже |
|
| 49 | 80-8101713 | Обивка | Нет в продаже |
|
| 50 | ШП8 | Шайба | Нет в продаже |
|
| 51 | ВС-11 | Кран | Нет в продаже |
|
| 52 | 80-8102015-03 | Шланг L=500 мм | Нет в продаже |
|
80-8101720
80-8101830
1
2
3
4
5
6
7
8
9
9
10
10
11
11
11
11
11
11
12
13
13
14
15
16
17
18
19
20
21
22
23
24
25
26
26
26
27
27
28
29
29
30
30
30
31
32
33
34
35
36
37
38
38
39
40
41
41
42
43
44
45
46
47
48
49
50
51
52
Содержащиеся в справочниках-каталогах запасные части и детали носят исключительно информационный характер