Оригинальные каталоги
| № | Номер | Наименование | Цена | |
|---|---|---|---|---|
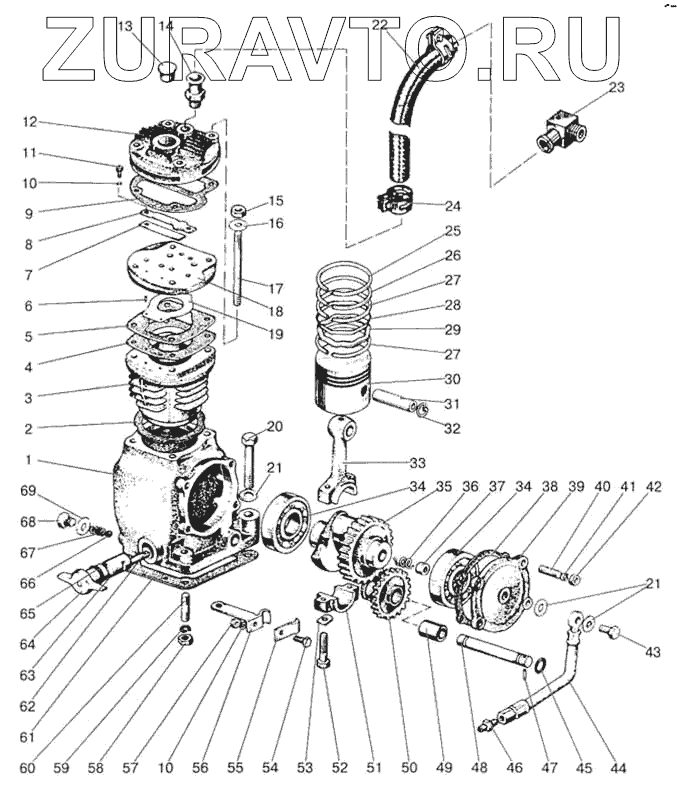
| А29.05.000-Б | А29.05.000-Б | Компрессор 1-8,10,11,13-19,21,30-39,41-43,45, 47,50-53,57,65-67,69 | Нет в продаже |
|
| А29.01.180 | А29.01.180 | Поршневые кольца (комплект) | Нет в продаже |
|
| 1 | А29.01.001 | Картер | Нет в продаже |
|
| 2 | А29.01.006 | Прокладка | Нет в продаже |
|
| 3 | А29.05.006 | Цилиндр | Нет в продаже |
|
| 4 | А29-05.002 | Прокладка нижняя | Нет в продаже |
|
| 5 | А29.05.003 | Прокладка верхняя | Нет в продаже |
|
| 6 | 2,5m6x12 | Штифт | Нет в продаже |
|
| 7 | А29.05.042 | Клапан нагнетательный | Нет в продаже |
|
| 8 | А29.05.043 | Ограничитель | Нет в продаже |
|
| 9 | А29.05.004 | Прокладка головки | Нет в продаже |
|
| 10 | ШП6 | Шайба | Нет в продаже |
|
| 11 | М6х10 | Болт | Нет в продаже |
|
| 12 | А29.05.005 | Головка цилиндра | Нет в продаже |
|
| 13 | А29.01.021 | Пробка транспортная | Нет в продаже |
|
| 14 | А29.01.059 | Штуцер | Нет в продаже |
|
| 15 | М8х1 | Гайка | Нет в продаже |
|
| 16 | ШЧ8 | Шайба | Нет в продаже |
|
| 17 | А29.01.023 | Шпилька | Нет в продаже |
|
| 18 | А29.05.041 | Плита | Нет в продаже |
|
| 19 | А29.05.001 | Клапан всасывающий | Нет в продаже |
|
| 20 | М10х45 | Болт | Нет в продаже |
|
| 21 | 36-1104788-01 | Прокладка | Нет в продаже |
|
| 22 | 18-30-50-1(1) | Рукав-деталь | Нет в продаже |
|
| 23 | 265-3509030 | Штуцер | Нет в продаже |
|
| 24 | 20-32(ХС-26) | Хомут Норма | Нет в продаже |
|
| 25 | А27.02.03.007 | Кольцо компрессионное | Нет в продаже |
|
| 26 | А27.02.03.008 | Кольцо компрессионное | Нет в продаже |
|
| 27 | А27.12.40.509 | Сегмент | Нет в продаже |
|
| 28 | А27.12-40.510 | Расширитель | Нет в продаже |
|
| 29 | А27.12.40.511 | Расширитель | Нет в продаже |
|
| 30 | А29.05.101 | Поршень | Нет в продаже |
|
| 31 | А29.05.103 | Палец поршневой | Нет в продаже |
|
| 32 | А29.05.102 | Кольцо стопорное | Нет в продаже |
|
| 33 | А29.05.171 | Шатун | Нет в продаже |
|
| 33 | А29.05.170 | Шатун | Нет в продаже |
|
| 34 | 207 | Шарикоподшипник | Нет в продаже |
|
| 35 | А29.01.004 | Вал коленчатый | Нет в продаже |
|
| 36 | А29.01.013 | Пружина | Нет в продаже |
|
| 37 | А29.01.019 | Уплотнитель крышки | Нет в продаже |
|
| 38 | А29.01.009 | Прокладка | Нет в продаже |
|
| 39 | А29.01.003 | Крышка | Нет в продаже |
|
| 40 | 2М8х18 | Шпилька | Нет в продаже |
|
| 41 | ШП8 | Шайба | Нет в продаже |
|
| 42 | М8 | Гайка | Нет в продаже |
|
| 43 | 240-3509233 | Болт | Нет в продаже |
|
| 44 | 240-3509150 | Маслопровод | Нет в продаже |
|
| 45 | 014-018-25-2-1 | Кольцо | Нет в продаже |
|
| 46 | 240-3509232 | Штуцер | Нет в продаже |
|
| 47 | 4h8x8 | Штифт | Нет в продаже |
|
| 48 | А29.01.301 | Ось шестерни | Нет в продаже |
|
| 49 | А29.01.202-А | Втулка | Нет в продаже |
|
| 50 | А29.01.201-А | Шестерня | Нет в продаже |
|
| 50 | А29.01.200-А | Шестерня со втулкой в сборе | Нет в продаже |
|
| 51 | А29.05.172 | Крышка шатуна | Нет в продаже |
|
| 52 | М8х35 | Болт | Нет в продаже |
|
| 53 | А29.05.173 | Шайба | Нет в продаже |
|
| 54 | М6х16 | Винт | Нет в продаже |
|
| 55 | 240-3509159 | Скоба | Нет в продаже |
|
| 56 | 240-3509158 | Хомут | Нет в продаже |
|
| 57 | М6 | Гайка | Нет в продаже |
|
| 58 | М10 | Гайка | Нет в продаже |
|
| 59 | ШП10 | Шайба | Нет в продаже |
|
| 60 | 2М10х28 | Шпилька | Нет в продаже |
|
| 61 | 240-3509037-А | Прокладка | Нет в продаже |
|
| 62 | А29.01.253 | Палец | Нет в продаже |
|
| 63 | А29.01.251-А | Валик | Нет в продаже |
|
| 63 | А29.01.250-А | Валик управления | Нет в продаже |
|
| 64 | А29.01.252-А | Рычаг | Нет в продаже |
|
| 65 | 020-025-30-2-1 | Кольцо | Нет в продаже |
|
| 66 | 8,0-100 | Шарик | Нет в продаже |
|
| 67 | 50-4604027-Б | Пружина | Нет в продаже |
|
| 68 | М10х20 | Болт | Нет в продаже |
|
| 69 | А29.01.017 | Прокладка | Нет в продаже |
|
А29.05.000-Б
1
2
3
4
5
6
7
8
9
10
10
11
12
13
14
15
16
17
18
19
20
21
21
22
23
24
25
26
27
27
28
29
30
31
32
33
33
34
34
35
36
37
38
39
40
41
42
43
44
45
46
47
48
49
50
50
51
52
53
54
55
56
57
58
59
60
61
62
63
63
64
65
66
67
68
69
Содержащиеся в справочниках-каталогах запасные части и детали носят исключительно информационный характер